电话:0512-66051469
传真:0512-66051489
邮箱:2461896109@qq.com
地址:苏州市吴中区南湖路71号天贸大厦509
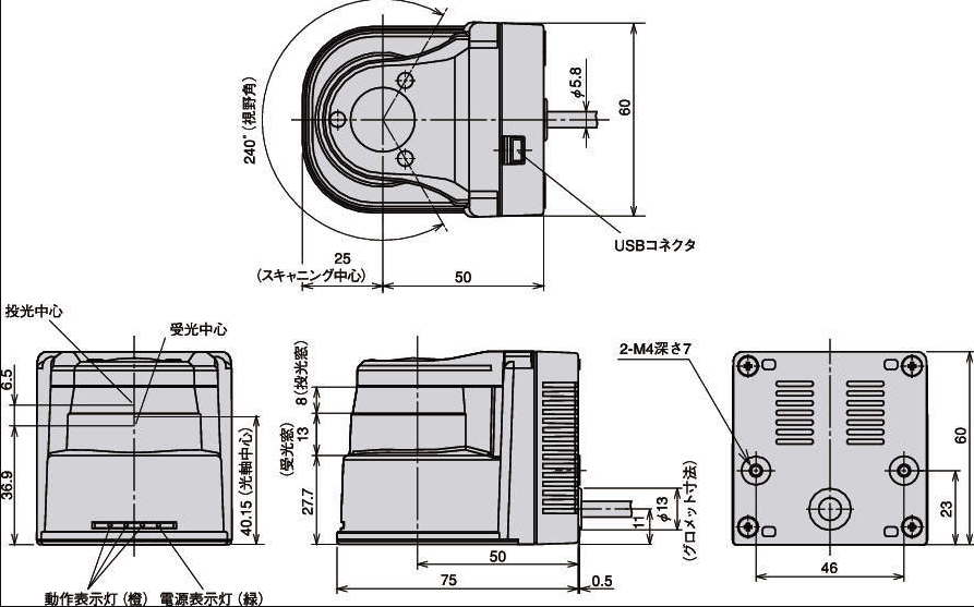
HOKUYO北阳激光扫描距离型传感器型号:UBG-04LX-F01
苏州上野机电设备有限公司询价咨询电话:17895046997 刘先生 同微信

特点:
扫描时间缩短3倍以上
是一边用光扫描一边测量到检测物的距离的二维扫描型的光距离传感器。
・测距原理采用了根据光的飞行时间的相位差方式,所以检测体的颜色和光泽的影响很少,可以进行稳定的检测。
・与以往产品相比,实现了1/3以下的扫描时间(28ms)。



电话:0512-66051469 传真:0512-66051489 邮箱:2461896109@qq.com
网址: www.ueno-china.com 地址:苏州市吴中区南湖路71号天贸大厦509
版权归111苏州上野机电设备有限公司所有 苏ICP备16035515号-1 技术支持:易动力网络