电话:0512-66051469
传真:0512-66051489
邮箱:2461896109@qq.com
地址:苏州市吴中区南湖路71号天贸大厦509

株式会社KURASHIKI KAKO仓敷化工圆形天然防振橡胶型号:KA-30(45)
苏州上野机电设备有限公司询价咨询电话:17895046997 刘先生 同微信
圆形防振橡胶天然橡胶硬度45系列
用途:水泵 送风机 发动机 发电机 电动机 压缩机
性能特点 :
1 .结构简单廉价 结构简单,安装也容易。
2 .安装空间小 因为小型且得到比较大的弹簧常数,所以可以支撑较大的负荷。
3 .可有多种支撑方式 根据安装方向的不同,除了压缩方向、剪切方向之外,还可以用于倾斜方向,具有广泛的应用性。
4 .静动比低,防振效果优异(与橡胶硬度60品的比较)

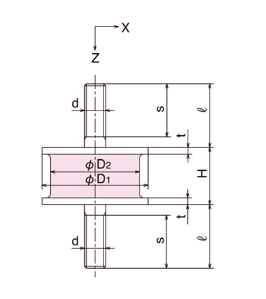
| 品番 | 標準寸法 mm | Z方向支持荷重 N {kgf} | 許容荷重 N {kgf} | Z方向ばね定数 Kz N/mm {kgf/cm} | 剛性比 Kx/Kz | |||||||
|---|---|---|---|---|---|---|---|---|---|---|---|---|
| D₁ | D₂ | H | t | d | ℓ | s | Z方向 | X方向 | ||||
| KA-12(45) | 12 | 10 | 16 | 2 | M5 | 12 | 11 | ~ 47 { 5 } | 66 { 7 } | 15 { 1.5 } | 25 { 25 } | 0.20 |
| KA-15(45) | 15 | 12 | 15 | 2 | M5 | 15 | 12 | ~ 78 { 8 } | 96 { 10 } | 20 { 2.1 } | 44 { 45 } | 0.20 |
| KA-20(45) | 20 | 15 | 15 | 2 | M6 | 15 | 13 | ~ 96 { 10 } | 170 { 17 } | 41 { 4.2 } | 78 { 78 } | 0.15 |
| KA-20-20H(45) | 20 | 15 | 20 | 2 | M6 | 15 | 13 | ~ 59 { 6 } | 110 { 11 } | 29 { 3.0 } | 47 { 48 } | 0.19 |
| KA-25(45) | 25 | 20 | 18 | 2.3 | M6 | 18 | 16 | ~ 145 { 15 } | 290 { 30 } | 54 { 5.5 } | 110 { 110 } | 0.16 |
| KA-25-27H(45) | 25 | 20 | 27 | 2.3 | M6 | 18 | 16 | ~ 96 { 10 } | 190 { 19 } | 35 { 3.6 } | 56 { 57 } | 0.20 |
| KA-30(45) | 30 | 25 | 18 | 2.3 | M8 | 24 | 20 | ~ 270 { 28 } | 530 { 55 } | 100 { 10 } | 190 { 192 } | 0.16 |
| KA-30-26H(45) | 30 | 25 | 26 | 2.3 | M8 | 24 | 20 | ~ 180 { 19 } | 370 { 37 } | 72 { 7.2 } | 84 { 87 } | 0.19 |
| KA-35(45) | 35 | 30 | 26 | 2.3 | M8 | 24 | 20 | ~ 290 { 30 } | 590 { 60 } | 150 { 15 } | 140 { 144 } | 0.17 |
| KA-35-35H(45) | 35 | 30 | 35 | 2.3 | M8 | 24 | 20 | ~ 220 { 23 } | 440 { 45 } | 120 { 12 } | 90 { 90 } | 0.20 |
| KA-40(45) | 40 | 34 | 25 | 2.3 | M8 | 30 | 25 | ~ 560 { 57 } | 1090 { 111 } | 220 { 22 } | 200 { 210 } | 0.17 |
| KA-40-33H(45) | 40 | 34 | 33 | 2.3 | M8 | 30 | 25 | ~ 320 { 33 } | 660 { 66 } | 150 { 15 } | 130 { 132 } | 0.19 |
| KA-45(45) | 45 | 38 | 34 | 3.2 | M8 | 29 | 25 | ~ 500 { 50 } | 1020 { 100 } | 170 { 17 } | 170 { 170 } | 0.20 |
| KA-45-45H(45) | 45 | 38 | 45 | 3.2 | M8 | 29 | 25 | ~ 390 { 39 } | 780 { 79 } | 130 { 13 } | 100 { 100 } | 0.16 |
| KA-50(45) | 50 | 42 | 27 | 3.2 | M10 | 30 | 25 | ~ 740 { 75 } | 1500 { 150 } | 350 { 36 } | 370 { 372 } | 0.17 |
| KA-50-40H(45) | 50 | 42 | 40 | 3.2 | M10 | 30 | 25 | ~ 530 { 54 } | 1080 { 108 } | 230 { 24 } | 160 { 168 } | 0.19 |
六角ナット、スプリングワッシャー各2ヶ付きとします。
ゴム材質は天然ゴム配合硬さ45とします。


苏州上野机电设备有限公司销售型号:
KA-12(45)
KA-15(45)
KA-20(45)
KA-20-20H(45)
KA-25(45)
KA-25-27H(45)
KA-30(45)
KA-30-26H(45)
KA-35(45)
KA-35-35H(45)
KA-40(45)
KA-40-33H(45)
KA-45(45) 45
KA-45-45H(45)
KA-50(45) 50
KA-50-40H(45)

电话:0512-66051469 传真:0512-66051489 邮箱:2461896109@qq.com
网址: www.ueno-china.com 地址:苏州市吴中区南湖路71号天贸大厦509
版权归111苏州上野机电设备有限公司所有 苏ICP备16035515号-1 技术支持:易动力网络