电话:0512-66051469
传真:0512-66051489
邮箱:2461896109@qq.com
地址:苏州市吴中区南湖路71号天贸大厦509

日本KURASHIKI KAKO仓敷化工圆形防振橡胶型号:KA-12SUS
苏州上野机电设备有限公司询价咨询电话:17895046997 刘先生 同微信
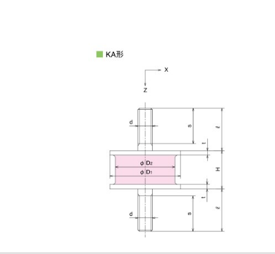
| 種類 | 防振ゴム・ゲル | 材質 | [ゴム] 天然ゴム |
|---|---|---|---|
| 最大許容荷重(範囲)(N) | ~300 | 接続形状 | 両端おねじ |
| 接続ねじ M | M5 | 高さH・厚さT(mm) | 16 |
| ばね定数(N/mm) | 41 | 硬度(ショアA) | 60 |
| 色 | 黒 | 許容荷重(N) | 110 |
| 使用用途 | クッション/防振/除振 | 特性 | 耐久性、耐低温性、良好な反発弾性 |
| 外径 D1(φ) | 12 | 外形 A(mm) | - |
| 金具材質SUS対応 | あり | 使用雰囲気温度(℃) | ~50 |
| 防振ゴムの種類 | 丸形 | RoHS | 10 |

特长: 结构简单,安装也容易
小型且可获得比较大的弹簧常数,因此可支撑较大的载荷 根据安装方向的不同,
除了压缩方向、剪切方向之外,还可以用于倾斜方向,具有广泛的应用性
用途: 泵、送风机、发动机、发电机、电动机、压缩机等
性能特点:
1 .因为是不锈钢,所以抗锈蚀 .
2 .结构简单.
3 .安装省空间.
| タイプ | 接続種類・外観 | 形式 | 特 長 | ||
|---|---|---|---|---|---|
| KA/KB * 接続:おねじ 他 | 両端おねじ | ![]() | KA形 | ゴム材質:NR(天然ゴム) 硬度(配合硬さ): ショアA60 *1 | NR(天然ゴム)は、耐久性、耐低温性、良好な反発弾性があります。 |
| KA-(45)形 | 硬度(配合硬さ): ショアA45 | ゴム硬度60品と比較して、静動比が低く防振の効果に優れます。 | |||
| KA-CR形 | ゴム材質:CR(クロロプレンゴム) 硬度(配合硬さ):ショアA60 | 耐候性、耐オゾン性、軽度の耐油性・耐熱性があります。 | |||
| KA-SUS形 | 金属材質:SUS(ステンレス) 硬度(配合硬さ):ショアA60 | ステンレス製でサビに強いです。 | |||
| おねじ・プレート | ![]() | KB形 | ゴム材質:NR(天然ゴム) 硬度(配合硬さ):ショアA60*1 | NR(天然ゴム)は、耐久性、耐低温性、良好な反発弾性があります。 | |
| RA/RB * 接続:めねじ 他 | めねじ・おねじ | ![]() | RA形 | 片側埋込ナット形 ゴム材質:NR(天然ゴム) 硬度(配合硬さ): ショアA60 *2 | 片側がナット埋込みになっているので、取付けボルトのスペースを 小さくできます。 NR(天然ゴム)は、耐久性、耐低温性、良好な反発弾性があります。 |
| めねじ・プレート | ![]() | RB形 | |||
*1 KA形 の KA-8、KA-10は天然ゴム配合硬さ45(ショアA45)です。KA形 、KB形のKA(KB)-80、KA(KB)-100は天然ゴム配合硬さ62です。
*2 RA形 の RA-8、RA-10は天然ゴム配合硬さ45(ショアA45)です。

苏州上野机电设备有限公司销售型号:
KA-12SUS
KA-15SUS
KA-20SUS
KA-20-20HSUS
KA-25SUS
KA-25-27HSUS
KA-30SUS
KA-30-26HSUS
KA-35SUS 35
KA-35-35HSUS
KA-40SUS 40
KA-40-33HSUS
KA-50SUS 50
KA-50-40HSUS
KA-8
KA-10
KA-12
KA-15
KA(KB)-20
KA(KB)-25
KA(KB)-25-27H
KA(KB)-30
KA(KB)-30-26H
KA(KB)-35
KA(KB)-35-35H
KA(KB)-40
KA(KB)-40-33H
KA(KB)-45
KA(KB)-45-45H
KA(KB)-50
KA(KB)-50-40H
KA(KB)-55
KA(KB)-55-54H
KA(KB)-60
KA(KB)-60-34H
KA(KB)-60-58H
KA(KB)-65
KA(KB)-65-50H
KA(KB)-75
KA(KB)-75-63H
KA(KB)-80
KA(KB)-80-55H
KA(KB)-90
KA(KB)-90-76H
KA(KB)-100
KA(KB)-100-70H
KA(KB)-120
KA(KB)-150
电话:0512-66051469 传真:0512-66051489 邮箱:2461896109@qq.com
网址: www.ueno-china.com 地址:苏州市吴中区南湖路71号天贸大厦509
版权归111苏州上野机电设备有限公司所有 苏ICP备16035515号-1 技术支持:易动力网络