电话:0512-66051469
传真:0512-66051489
邮箱:2461896109@qq.com
地址:苏州市吴中区南湖路71号天贸大厦509

日本原装进口SAKAI刚性优良的重型酒井联轴器型号:UCN-45B-10X10
苏州上野机电设备有限公司询价咨询电话:17895046997 刘先生 同微信
特点:
・流线型机身的低惯性结构,刚性优良的重型规格
・中心块上十字形配置的销和用轮毂的臂部保持该销的金属自由滑动、旋转,同时吸收偏心和偏角。针脚和金属的间隙数μm和极小,所以可以进行高精度的旋转传递
・没有挠曲材料,通过销和金属部自由滑动、旋转的修正式构造,吸收心偏移时产生的支撑反作用力很微小。另外,扭转刚性为板簧式的1.5~2倍,可提高使用伺服马达、脉冲马达等的自动设备的控制响应性
・由于修正式独特的阻尼性和高扭转刚性,具有难以将驱动部的振动传递给被驱动部的特性,因此对安装设备的振动对策有效
・支撑反作用力极小,安装容易


| 型番 | 許容トルク N・m | 最大トルク N・m | 許容 スラスト荷重 N | 許容偏心 mm | 許容偏角 ° | 最高回転数 r/min | ねじり剛性 N・m/rad | 慣性モーメント kg・m2 | 質量 kg |
|---|---|---|---|---|---|---|---|---|---|
| UCN-45B | 10 | 20 | 500 | 0.2 | 1 | 6,000 | 1.91×104 | 0.40×10-4 | 0.19 |
| UCN-55B | 20 | 40 | 850 | 0.2 | 1 | 6,000 | 5.01×104 | 1.13×10-4 | 0.36 |
| UCN-65B | 40 | 80 | 1,450 | 0.2 | 1 | 6,000 | 1.08×105 | 2.54×10-4 | 0.57 |
| UCN-80B | 80 | 160 | 2,350 | 0.2 | 1 | 6,000 | 2.37×105 | 6.89×10-4 | 0.97 |
| UCN-100B | 160 | 320 | 3,750 | 0.2 | 1 | 6,000 | 4.66×105 | 2.24×10-3 | 2.09 |
| UCN-125B | 320 | 640 | 6,000 | 0.2 | 1 | 6,000 | 8.80×105 | 7.08×10-3 | 4.38 |
| UCN-155B | 640 | 1,280 | 9,750 | 0.2 | 1 | 6,000 | 1.66×106 | 1.98×10-2 | 7.67 |
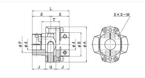
| 型番 | d | A | E | P | L | S | T | J | G | M |
|---|---|---|---|---|---|---|---|---|---|---|
| UCN-45B | 8~16 | 45 | 31 | 20 | 48 | 24 | 24 | 17 | 14 | M4 |
| UCN-55B | 10~19 | 55 | 38 | 25 | 56 | 28 | 28 | 20 | 16 | M5 |
| UCN-65B | 12~25 | 65 | 44 | 30 | 68 | 34 | 33 | 24.5 | 19 | M6/M5 |
| UCN-80B | 12~35 | 80 | 57 | 39 | 80 | 40 | 36 | 29 | 22 | M8/M6 |
| UCN-100B | 20~40 | 100 | 70 | 45 | 100 | 50 | 48 | 36 | 28 | M10/M8 |
| UCN-125B | 32~42 | 125 | 88 | 61 | 120 | 60 | 61 | 42.5 | 35 | M12 |
| UCN-155B | 45~60 | 155 | 112 | 76 | 141 | 70.5 | 71 | 50 | 41 | M14 |
| 型番 | d | |||||||||||||||||||||
|---|---|---|---|---|---|---|---|---|---|---|---|---|---|---|---|---|---|---|---|---|---|---|
| 8 | 10 | 11 | 12 | 13 | 14 | 15 | 16 | 17 | 18 | 19 | 20 | 22 | 24 | 25 | 28 | 30 | 32 | 35 | 38 | 40 | 42 | |
| UCN-45B | ● | ● | ● | ● | ● | ● | ● | ● | - | - | - | - | - | - | - | - | - | - | - | - | - | - |
| UCN-55B | - | ● | ● | ● | ● | ● | ● | ● | ● | ● | ● | - | - | - | - | - | - | - | - | - | - | - |
| UCN-65B | - | - | - | ● | ● | ● | ● | ● | ● | ● | ● | ● | ● | ● | ● | - | - | - | - | - | - | - |
| UCN-80B | - | - | - | ● | ● | ● | ● | ● | ● | ● | ● | ● | ● | ● | ● | ● | ● | ● | ● | - | - | - |
| UCN-100B | - | - | - | - | - | - | - | - | - | - | - | ● | ● | ● | ● | ● | ● | ● | ● | ● | ● | - |
| UCN-125B | - | - | - | - | - | - | - | - | - | - | - | - | - | - | - | - | - | ● | ● | ● | ● | ● |
| 型番 | d | ||||
|---|---|---|---|---|---|
| 45 | 48 | 50 | 55 | 60 | |
| UCN-155B | ● | ● | ● | ● | ● |
許容トルクは回転数が1,500r/minの場合を表す。
最大トルクは起動時およびブレーキ時に瞬間的に伝達できるトルク。
許容スラスト荷重は負荷トルクをゼロとした場合の静的許容荷重を表す。
ねじり剛性はメタル部のみの値。
慣性モーメント、質量は軸穴径が最大の場合を表す。
取付軸はJ寸法まで確実に挿入してください。
推奨軸公差はh6。(軸径35mmの場合は公差 0~+0.010にも対応できる。)
使用条件によっては許容以上の偏心・偏角で使用が可能。

苏州上野机电设备有限公司销售型号:
UCN-45B-10X10
UCN-45B-10X12
UCN-45B-10X14
UCN-45B-10X15
UCN-45B-10X16
UCN-45B-12X12
UCN-45B-12X14
UCN-45B-12X15
UCN-45B-12X16
UCN-45B-14X15
UCN-45B-14X16
UCN-45B-15X15
UCN-45B-15X16
UCN-45B-16X16
UCN-55B-10X10
UCN-55B-10X12
UCN-55B-10X14
UCN-55B-10X15
UCN-55B-10X16
UCN-55B-10X17
UCN-55B-10X18
UCN-55B-10X19
UCN-55B-12X12
UCN-55B-12X14
UCN-55B-12X15
UCN-55B-12X16
UCN-55B-12X17
UCN-55B-12X18
UCN-55B-12X19
UCN-55B-14X14
UCN-55B-14X15
UCN-55B-14X16
UCN-55B-14X17
UCN-55B-14X18
UCN-55B-14X19
UCN-55B-15X16
UCN-55B-15X17
UCN-55B-15X18
UCN-55B-15X19
UCN-55B-16X16
UCN-55B-16X17
UCN-55B-16X18
UCN-55B-16X19
UCN-55B-17X17
UCN-55B-17X18
UCN-55B-17X19
UCN-55B-18X18
UCN-55B-18X19
UCN-55B-19X19
苏州上野机电设备有限公司销售型号:
UCN-65B-14X14
UCN-65B-14X15
UCN-65B-14X16
UCN-65B-14X17
UCN-65B-14X18
UCN-65B-14X19
UCN-65B-14X20
UCN-65B-14X22
UCN-65B-14X24
UCN-65B-14X25
UCN-65B-15X15
UCN-65B-15X16
UCN-65B-15X17
UCN-65B-15X18
UCN-65B-15X19
UCN-65B-15X20
UCN-65B-15X22
UCN-65B-15X24
UCN-65B-15X25
UCN-65B-16X16
UCN-65B-16X17
UCN-65B-16X18
UCN-65B-16X19
UCN-65B-16X20
UCN-65B-16X22
UCN-65B-16X24
UCN-65B-16X25
UCN-65B-17X17
UCN-65B-17X18
UCN-65B-17X19
UCN-65B-17X20
UCN-65B-17X22
UCN-65B-17X24
UCN-65B-17X25
UCN-65B-18X18
UCN-65B-18X19
UCN-65B-18X20
UCN-65B-18X22
UCN-65B-18X24
UCN-65B-18X25
UCN-65B-19X19
UCN-65B-19X20
UCN-65B-19X22
UCN-65B-19X24
UCN-65B-19X25
UCN-65B-20X20
UCN-65B-20X22
UCN-65B-20X24
UCN-65B-20X25
UCN-65B-22X22
UCN-65B-22X24
UCN-65B-22X25
UCN-65B-24X24
UCN-65B-24X25
UCN-65B-25X25
苏州上野机电设备有限公司销售型号:
UCN-80B-15X15
UCN-80B-15X16
UCN-80B-15X17
UCN-80B-15X18
UCN-80B-15X19
UCN-80B-15X20
UCN-80B-15X22
UCN-80B-15X24
UCN-80B-15X25
UCN-80B-15X28
UCN-80B-15X30
UCN-80B-15X32
UCN-80B-15X35
UCN-80B-16X16
UCN-80B-16X17
UCN-80B-16X18
UCN-80B-16X19
UCN-80B-16X20
UCN-80B-16X22
UCN-80B-16X24
UCN-80B-16X25
UCN-80B-16X28
UCN-80B-16X30
UCN-80B-16X32
UCN-80B-16X35
UCN-80B-17X17
UCN-80B-17X18
UCN-80B-17X19
UCN-80B-17X20
UCN-80B-17X22
UCN-80B-17X24
UCN-80B-17X25
UCN-80B-17X28
UCN-80B-17X30
UCN-80B-17X32
UCN-80B-17X35
UCN-80B-18X18
UCN-80B-18X19
UCN-80B-18X20
UCN-80B-18X22
UCN-80B-18X24
UCN-80B-18X25
UCN-80B-18X28
UCN-80B-18X30
UCN-80B-18X32
UCN-80B-18X35
UCN-80B-19X19
UCN-80B-19X20
UCN-80B-19X22
UCN-80B-19X24
UCN-80B-19X25
UCN-80B-19X28
UCN-80B-19X30
UCN-80B-19X32
UCN-80B-19X35
UCN-80B-20X20
UCN-80B-20X22
UCN-80B-20X24
UCN-80B-20X25
UCN-80B-20X28
UCN-80B-20X30
UCN-80B-20X32
UCN-80B-20X35
UCN-80B-22X22
UCN-80B-22X24
UCN-80B-22X25
UCN-80B-22X28
UCN-80B-22X30
UCN-80B-22X32
UCN-80B-22X35
UCN-80B-24X24
UCN-80B-24X25
UCN-80B-24X28
UCN-80B-24X30
UCN-80B-24X32
UCN-80B-24X35
UCN-80B-25X25
UCN-80B-25X28
UCN-80B-25X30
UCN-80B-25X32
UCN-80B-25X35
UCN-80B-28X28
UCN-80B-28X30
UCN-80B-28X32
UCN-80B-28X35
UCN-80B-30X30
UCN-80B-30X32
UCN-80B-30X35
UCN-80B-32X32
UCN-80B-32X35
UCN-80B-35X35
苏州上野机电设备有限公司销售型号:
UCN-100B-20X20
UCN-100B-20X22
UCN-100B-20X24
UCN-100B-20X25
UCN-100B-20X28
UCN-100B-20X30
UCN-100B-20X32
UCN-100B-20X38
UCN-100B-20X40
UCN-100B-22X22
UCN-100B-22X24
UCN-100B-22X25
UCN-100B-22X28
UCN-100B-22X30
UCN-100B-22X32
UCN-100B-22X35
UCN-100B-22X38
UCN-100B-22X40
UCN-100B-24X24
UCN-100B-24X25
UCN-100B-24X28
UCN-100B-24X30
UCN-100B-24X32
UCN-100B-24X35
UCN-100B-24X38
UCN-100B-24X40
UCN-100B-25X25
UCN-100B-25X28
UCN-100B-25X30
UCN-100B-25X32
UCN-100B-25X35
UCN-100B-25X38
UCN-100B-25X40
UCN-100B-28X28
UCN-100B-28X30
UCN-100B-28X32
UCN-100B-28X35
UCN-100B-28X38
UCN-100B-28X40
UCN-100B-30X30
UCN-100B-30X32
UCN-100B-30X35
UCN-100B-30X38
UCN-100B-30X40
UCN-100B-32X32
UCN-100B-32X35
UCN-100B-32X38
UCN-100B-32X40
UCN-100B-35X35
UCN-100B-35X38
UCN-100B-35X40
UCN-100B-38X38
UCN-100B-38X40
UCN-100B-40X40
UCN-125B-32X32
UCN-125B-32X35
UCN-125B-32X38
UCN-125B-32X40
UCN-125B-32X42
UCN-125B-35X35
UCN-125B-35X38
UCN-125B-35X40
UCN-125B-35X42
UCN-125B-38X38
UCN-125B-38X40
UCN-125B-38X42
UCN-125B-40X40
UCN-125B-40X42
UCN-125B-42X42
UCN-155B-45X45
UCN-155B-45X48
UCN-155B-45X50
UCN-155B-45X55
UCN-155B-45X60
UCN-155B-48X48
UCN-155B-48X50
UCN-155B-48X55
UCN-155B-48X60
UCN-155B-50X50
UCN-155B-50X55
UCN-155B-50X60
UCN-155B-55X55
UCN-155B-55X60
UCN-155B-60X60
电话:0512-66051469 传真:0512-66051489 邮箱:2461896109@qq.com
网址: www.ueno-china.com 地址:苏州市吴中区南湖路71号天贸大厦509
版权归111苏州上野机电设备有限公司所有 苏ICP备16035515号-1 技术支持:易动力网络