电话:0512-66051469
传真:0512-66051489
邮箱:2461896109@qq.com
地址:苏州市吴中区南湖路71号天贸大厦509
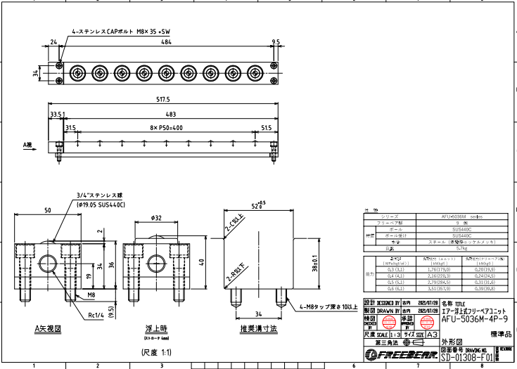
日本FREEBEAR福力百亚不锈钢举模器型号:AFU-5036M-4P-9
苏州上野机电设备有限公司询价咨询电话:17895046997 刘先生 同微信

通过供给压缩空气,各活塞内置的自由链一齐上升。设置时,通过对机器的床实施角槽加工,可以搬运、定位夹具、模具、工件。
(通过模具自重或强制排气下降)
气浮式自由裸单元的球辊。
特点:
·通过模具自重或强制排气下降。
·通过供给压缩空气,内置于各活塞的自由链同时上升。
・安装时,通过对机器的床实施角槽加工,可以进行夹具、模具、工件的搬运、定位。
·防尘、防锈型的气浮式机组。
用途:
・最适合搬运重物、组装作业台(对位)、更换加工机夹具等。

圧縮エアーを供給することにより各ピストンに内蔵されたフリーベアが一斉に上昇します。設置の際に機械のベッドに角溝加工を施すことにより、治具、金型、ワークの搬送・位置決めが可能です。
(金型自重又は強制排気にて下降)
掲載されているサイズ以外も製作可能です。詳細はお問い合わせシートにご記入ください。

全長計算式 A=33.5+(L1の合計)+(接続本数)
(単位:mm)
| 型式 | 本体寸法(mm) | 自重 | 使用空気圧 | データ ダウンロード (DXF/PDF) | ||||||||||
|---|---|---|---|---|---|---|---|---|---|---|---|---|---|---|
| L | L1 | L2 | P | kg | 0.3MPa | 0.4MPa | 0.5MPa | 0.6MPa | ||||||
| 負荷能力 | ||||||||||||||
| kN | kgf | kN | kgf | kN | kgf | kN | kgf | |||||||
| AFU-5036M-4P-1 | 117.5 | 83 | 84 | – | 1.3 | 0.20 | 19.9 | 0.24 | 24.5 | 0.31 | 31.6 | 0.39 | 39.8 | |
| AFU-5036M-4P-2 | 167.5 | 133 | 134 | 50 | 1.9 | 0.39 | 39.8 | 0.48 | 48.9 | 0.62 | 63.2 | 0.78 | 79.5 | |
| AFU-5036M-4P-3 | 217.5 | 183 | 184 | 2×P50=100 | 2.4 | 0.59 | 59.7 | 0.72 | 73.4 | 0.93 | 94.8 | 1.17 | 119.3 | |
| AFU-5036M-4P-4 | 267.5 | 233 | 234 | 3×P50=150 | 3.0 | 0.78 | 79.6 | 0.96 | 97.9 | 1.24 | 126.4 | 1.56 | 159.1 | |
| AFU-5036M-4P-5 | 317.5 | 283 | 284 | 4×P50=200 | 3.5 | 0.98 | 99.4 | 1.20 | 122.4 | 1.55 | 158.1 | 1.95 | 198.8 | |
| AFU-5036M-4P-6 | 367.5 | 333 | 334 | 5×P50=250 | 4.1 | 1.17 | 119.3 | 1.44 | 146.8 | 1.86 | 189.7 | 2.34 | 238.6 | |
| AFU-5036M-4P-7 | 417.5 | 383 | 384 | 6×P50=300 | 4.6 | 1.37 | 139.2 | 1.68 | 171.3 | 2.17 | 221.3 | 2.73 | 278.4 | |
| AFU-5036M-4P-8 | 467.5 | 433 | 434 | 7×P50=350 | 5.2 | 1.56 | 159.1 | 1.92 | 195.8 | 2.48 | 252.9 | 3.12 | 318.2 | |
| AFU-5036M-4P-9 | 517.5 | 483 | 484 | 8×P50=400 | 5.7 | 1.76 | 179.0 | 2.16 | 220.3 | 2.79 | 284.5 | 3.51 | 357.9 | |
| AFU-5036M-4P-10 | 567.5 | 533 | 534 | 9×P50=450 | 6.3 | 1.95 | 198.9 | 2.40 | 244.7 | 3.10 | 316.1 | 3.90 | 397.7 | |
| AFU-5036M-4P-11 | 617.5 | 583 | 584 | 10×P50=500 | 6.8 | 2.15 | 218.8 | 2.64 | 269.2 | 3.41 | 347.7 | 4.29 | 437.5 | |
| AFU-5036M-4P-12 | 667.5 | 633 | 634 | 11×P50=550 | 7.4 | 2.34 | 238.6 | 2.88 | 293.7 | 3.72 | 379.3 | 4.68 | 477.2 | |
| AFU-5036M-4P-13 | 717.5 | 683 | 684 | 12×P50=600 | 8.0 | 2.54 | 258.5 | 3.12 | 318.2 | 4.03 | 411.0 | 5.07 | 517.0 | |
| AFU-5036M-4P-14 | 767.5 | 733 | 734 | 13×P50=650 | 8.5 | 2.73 | 278.4 | 3.36 | 342.6 | 4.34 | 442.6 | 5.46 | 556.8 | |
| AFU-5036M-4P-15 | 817.5 | 783 | 784 | 14×P50=700 | 9.1 | 2.93 | 298.3 | 3.60 | 367.1 | 4.65 | 474.2 | 5.85 | 596.5 | |
| AFU-5036M-4P-16 | 867.5 | 833 | 834 | 15×P50=750 | 9.6 | 3.12 | 318.2 | 3.84 | 391.6 | 4.96 | 505.8 | 6.24 | 636.3 | |
| AFU-5036M-4P-17 | 917.5 | 883 | 884 | 16×P50=800 | 10.2 | 3.32 | 338.1 | 4.08 | 416.0 | 5.27 | 537.4 | 6.63 | 676.1 | |
| AFU-5036M-4P-18 | 967.5 | 933 | 934 | 17×P50=850 | 10.7 | 3.51 | 357.9 | 4.32 | 440.5 | 5.58 | 569.0 | 7.02 | 715.8 | |
| フリーベア1個当たり | 0.20 | 19.9 | 0.24 | 24.5 | 0.31 | 31.6 | 0.39 | 39.8 | ||||||
苏州上野机电设备有限公司销售型号:
AFU-5036M-4P-1
AFU-5036M-4P-2
AFU-5036M-4P-3
AFU-5036M-4P-4
AFU-5036M-4P-5
AFU-5036M-4P-6
AFU-5036M-4P-7
AFU-5036M-4P-8
AFU-5036M-4P-9
AFU-5036M-4P-10
AFU-5036M-4P-11
AFU-5036M-4P-12
AFU-5036M-4P-13
AFU-5036M-4P-14
AFU-5036M-4P-15
AFU-5036M-4P-16
AFU-5036M-4P-17
AFU-5036M-4P-18
电话:0512-66051469 传真:0512-66051489 邮箱:2461896109@qq.com
网址: www.ueno-china.com 地址:苏州市吴中区南湖路71号天贸大厦509
版权归111苏州上野机电设备有限公司所有 苏ICP备16035515号-1 技术支持:易动力网络