电话:0512-66051469
传真:0512-66051489
邮箱:2461896109@qq.com
地址:苏州市吴中区南湖路71号天贸大厦509
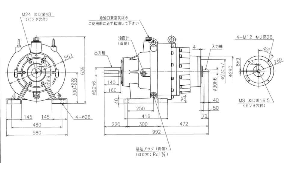
MHI WORM GEAR MOTOR三菱重工减速机型号:TSDB160H-250RX
苏州上野机电设备有限公司询价咨询电话:17895046997 刘先生 同微信

MHI三菱重工业株式会社:
三菱重工业株式会社Mitsubishi Heavy Industries ltd为日本著名重工业企业,其产品涵盖造船、航空宇宙、汽车运输、印刷机械、核能设备、电力、钢铁锻造设备、工业传动及空调等行业。三菱重工业务遍步全球,全球员工人数有近5万人。三菱重工在中国有18家合资公司,业务涉及空调,电力,钢铁,印刷及空调等多个行业。
三菱传动设备有三菱蜗轮蜗杆减速机MHI WORM GEAR,三菱齿轮联轴器、三菱行星增减速机、三菱无段变速机等产品。产品用于机床机械,木工机械,玻璃机械,锻造机械等行业。




电话:0512-66051469 传真:0512-66051489 邮箱:2461896109@qq.com
网址: www.ueno-china.com 地址:苏州市吴中区南湖路71号天贸大厦509
版权归111苏州上野机电设备有限公司所有 苏ICP备16035515号-1 技术支持:易动力网络