电话:0512-66051469
传真:0512-66051489
邮箱:2461896109@qq.com
地址:苏州市吴中区南湖路71号天贸大厦509
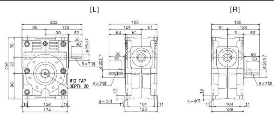
日本TSUBAKI椿本蜗轮蜗杆减速机型号:EWJ63E15LR 实心轴脚底安装
苏州上野机电设备有限公司询价咨询电话:17895046997 刘先生 同微信

蜗轮驱动 EW/EWM, EWJ/EWJM系列
传动能力,效率&成本的高度平衡下以确保高精度和紧凑性。
底脚安装为基本型,输出轴可提供实心轴或中空轴。
实心轴型最适于联轴器联结,链条·输送带的驱动。
种类丰富,有助于简化装置。
・高度平衡传动能力与效率&成本。
采用圆柱形蜗轮,利用长年积累的技术追求极致的齿面传动能力,高维度融合效率与成本。

・底脚安装/安装座,输出轴可选择实心轴或空心轴。
・提供小型~中型尺寸(芯间距离25~200)。
・EWJ系列采用安装方向自由的专用箱体。

| 减速比 | 输入1750 r/min | 输入1450 r/min | 输入1150 r/min | 输入950 r/min | 输入500 r/min | 输入100 r/min | 大概 质量 kg | ||||||||||||
|---|---|---|---|---|---|---|---|---|---|---|---|---|---|---|---|---|---|---|---|
| 输入 kW | 输出扭矩 | 输入 kW | 输出扭矩 | 输入 kW | 输出扭矩 | 输入 kW | 输出扭矩 | 输入 kW | 输出扭矩 | 输入 kW | 输出扭矩 | ||||||||
| N・m | {kgf・m} | N・m | {kgf・m} | N・m | {kgf・m} | N・m | {kgf・m} | N・m | {kgf・m} | N・m | {kgf・m} | ||||||||
| 15 | 2.41 | 174 | 17.7 | 2.23 | 192 | 19.6 | 1.98 | 212 | 21.6 | 1.75 | 224 | 22.9 | 0.96 | 224 | 22.9 | 0.21 | 224 | 22.9 | 11.5 |
・以1750~1450r/min的转速连续运转二小时以上时,因为需要考虑额定热负载,所以请参照目录21页的额定热负载系数。
| N | {kgf} |
|---|---|
| 2901 | 296 |
| 减 速 部 | 润滑方式 | 油浴方式·注油出货 |
|---|---|---|
| DAPHNE ALPHA OILTE260 | ||
| 键规格 | 新JIS普通 JIS B1301-1976(中实轴部用键一同出货) | |
| 涂装规格 | 蒙塞尔2.5G6/3(绿色) | |
| 静电粉末喷涂:环氧聚酯类 | ||
| 防锈规格 | 防锈期 室内保管6个月(工厂出厂后) | |
| 外部防锈处理:涂抹防锈脂 内部防锈处理:填充润滑油后密封 | ||
| 周 围 条 件 | 设置场所 | 室内 |
| 环境温度 | -10℃~50℃ | |
| 环境湿度 | 95%以下(无结露) | |
| 高 度 | 海拔1000m以下 | |
| 环 境 | 无腐蚀性及爆炸性气体·蒸气及无结露,尘埃少 | |
| 安装方式 | 自由安装 | |

苏州上野机电设备有限公司销售型号如下:
1/10 实心 苏州上野公司/椿本蜗轮蜗杆减速机
EWJ63E10L
EWJ63E10R
EWJ63E10LR
EWJ63V10LU
EWJ63V10LD
EWJ63V10LUD
EWJ63V10RU
EWJ63V10RD
EWJ63V10RUD
1/15 实心 苏州上野公司/椿本蜗轮蜗杆减速机
EWJ63E15L
EWJ63E15R
EWJ63E15LR
EWJ63V15LU
EWJ63V15LD
EWJ63V15LUD
EWJ63V15RU
EWJ63V15RD
EWJ63V15RUD
1/20 实心 苏州上野公司/蜗轮蜗杆减速机
EWJ63E20L
EWJ63E20R
EWJ63E20LR
EWJ63V20LU
EWJ63V20LD
EWJ63V20LUD
EWJ63V20RU
EWJ63V20RD
EWJ63V20RUD
1/25 实心 苏州上野公司/椿本蜗轮蜗杆减速机
EWJ63E25L
EWJ63E25R
EWJ63E25LR
EWJ63V25LU
EWJ63V25LD
EWJ63V25LUD
EWJ63V25RU
EWJ63V25RD
EWJ63V25RUD
1/30 实心 苏州上野公司/椿本蜗轮蜗杆减速机
EWJ63E30L
EWJ63E30R
EWJ63E30LR
EWJ63V30LU
EWJ63V30LD
EWJ63V30LUD
EWJ63V30RU
EWJ63V30RD
EWJ63V30RUD
1/40 实心 苏州上野公司/椿本蜗轮蜗杆减速机
EWJ63E40L
EWJ63E40R
EWJ63E40LR
EWJ63V40LU
EWJ63V40LD
EWJ63V40LUD
EWJ63V40RU
EWJ63V40RD
EWJ63V40RUD
1/50 实心 苏州上野公司/椿本蜗轮蜗杆减速机
EWJ63E50L
EWJ63E50R
EWJ63E50LR
EWJ63V50LU
EWJ63V50LD
EWJ63V50LUD
EWJ63V50RU
EWJ63V50RD
EWJ63V50RUD
1/60 实心 苏州上野公司/椿本蜗轮蜗杆减速机
EWJ63E60L
EWJ63E60R
EWJ63E60LR
EWJ63V60LU
EWJ63V60LD
EWJ63V60LUD
EWJ63V60RU
EWJ63V60RD
EWJ63V60RUD
1/100 实心 苏州上野公司/椿本蜗轮蜗杆减速机
EWJ63T100L-R
EWJ63T100R-L
EWJ63T100L-LR
EWJ63T100R-LR
EWJ63V100L-RU
EWJ63V100L-RD
EWJ63V100L-RUD
EWJ63V100R-LU
EWJ63V100R-LD
EWJ63V100R-LUD
1/150 实心 苏州上野公司/椿本蜗轮蜗杆减速机
EWJ63T150L-R
EWJ63T150R-L
EWJ63T150L-LR
EWJ63T150R-LR
EWJ63V150L-RU
EWJ63V150L-RD
EWJ63V150L-RUD
EWJ63V150R-LU
EWJ63V150R-LD
EWJ63V150R-LUD
1/200 实心 苏州上野公司/椿本蜗轮蜗杆减速机
EWJ63T200L-R
EWJ63T200R-L
EWJ63T200L-LR
EWJ63T200R-LR
EWJ63V200L-RU
EWJ63V200L-RD
EWJ63V200L-RUD
EWJ63V200R-LU
EWJ63V200R-LD
EWJ63V200R-LUD
1/250 实心 苏州上野公司/椿本蜗轮蜗杆减速机
EWJ63T250L-R
EWJ63T250R-L
EWJ63T250L-LR
EWJ63T250R-LR
EWJ63V250L-RU
EWJ63V250L-RD
EWJ63V250L-RUD
EWJ63V250R-LU
EWJ63V250R-LD
EWJ63V250R-LUD
1/300 实心 苏州上野公司/椿本蜗轮蜗杆减速机
EWJ63T300L-R
EWJ63T300R-L
EWJ63T300L-LR
EWJ63T300R-LR
EWJ63V300L-RU
EWJ63V300L-RD
EWJ63V300L-RUD
EWJ63V300R-LU
EWJ63V300R-LD
EWJ63V300R-LUD
1/400 实心 苏州上野公司/椿本蜗轮蜗杆减速机
EWJ63T400L-R
EWJ63T400R-L
EWJ63T400L-LR
EWJ63T400R-LR
EWJ63V400L-RU
EWJ63V400L-RD
EWJ63V400L-RUD
EWJ63V400R-LU
EWJ63V400R-LD
EWJ63V400R-LUD
1/500 实心 苏州上野公司/椿本蜗轮蜗杆减速机
EWJ63T500L-R
EWJ63T500R-L
EWJ63T500L-LR
EWJ63T500R-LR
EWJ63V500L-RU
EWJ63V500L-RD
EWJ63V500L-RUD
EWJ63V500R-LU
EWJ63V500R-LD
EWJ63V500R-LUD
1/600 实心 苏州上野公司/椿本蜗轮蜗杆减速机
EWJ63T600L-R
EWJ63T600R-L
EWJ63T600L-LR
EWJ63T600R-LR
EWJ63V600L-RU
EWJ63V600L-RD
EWJ63V600L-RUD
EWJ63V600R-LU
EWJ63V600R-LD
EWJ63V600R-LUD
1/800 实心 苏州上野公司/椿本蜗轮蜗杆减速机
EWJ63T800L-R
EWJ63T800R-L
EWJ63T800L-LR
EWJ63T800R-LR
EWJ63V800L-RU
EWJ63V800L-RD
EWJ63V800L-RUD
EWJ63V800R-LU
EWJ63V800R-LD
EWJ63V800R-LUD
1/1000 实心 苏州上野公司/椿本蜗轮蜗杆减速机
EWJ63T1000L-R
EWJ63T1000R-L
EWJ63T1000L-LR
EWJ63T1000R-LR
EWJ63V1000L-RU
EWJ63V1000L-RD
EWJ63V1000L-RUD
EWJ63V1000R-LU
EWJ63V1000R-LD
EWJ63V1000R-LUD
1/1200 实心 苏州上野公司/椿本蜗轮蜗杆减速机
EWJ63T1200L-R
EWJ63T1200R-L
EWJ63T1200L-LR
EWJ63T1200R-LR
EWJ63V1200L-RU
EWJ63V1200L-RD
EWJ63V1200L-RUD
EWJ63V1200R-LU
EWJ63V1200R-LD
EWJ63V1200R-LUD
1/1500 实心 苏州上野公司/椿本蜗轮蜗杆减速机
EWJ63T1500L-R
EWJ63T1500R-L
EWJ63T1500L-LR
EWJ63T1500R-LR
EWJ63V1500L-RU
EWJ63V1500L-RD
EWJ63V1500L-RUD
EWJ63V1500R-LU
EWJ63V1500R-LD
EWJ63V1500R-LUD
1/1800 实心 苏州上野公司/椿本蜗轮蜗杆减速机
EWJ63T1800L-R
EWJ63T1800R-L
EWJ63T1800L-LR
EWJ63T1800R-LR
EWJ63V1800L-RU
EWJ63V1800L-RD
EWJ63V1800L-RUD
EWJ63V1800R-LU
EWJ63V1800R-LD
EWJ63V1800R-LUD
1/2400 实心 苏州上野公司/椿本蜗轮蜗杆减速机
EWJ63T2400L-R
EWJ63T2400R-L
EWJ63T2400L-LR
EWJ63T2400R-LR
EWJ63V2400L-RU
EWJ63V2400L-RD
EWJ63V2400L-RUD
EWJ63V2400R-LU
EWJ63V2400R-LD
EWJ63V2400R-LUD
1/3000 实心 苏州上野公司/椿本蜗轮蜗杆减速机
EWJ63T3000L-R
EWJ63T3000R-L
EWJ63T3000L-LR
EWJ63T3000R-LR
EWJ63V3000L-RU
EWJ63V3000L-RD
EWJ63V3000L-RUD
EWJ63V3000R-LU
EWJ63V3000R-LD
EWJ63V3000R-LUD
1/3600 实心 苏州上野公司/椿本蜗轮蜗杆减速机
EWJ63T3600L-R
EWJ63T3600R-L
EWJ63T3600L-LR
EWJ63T3600R-LR
EWJ63V3600L-RU
EWJ63V3600L-RD
EWJ63V3600L-RUD
EWJ63V3600R-LU
EWJ63V3600R-LD
EWJ63V3600R-LUD
电话:0512-66051469 传真:0512-66051489 邮箱:2461896109@qq.com
网址: www.ueno-china.com 地址:苏州市吴中区南湖路71号天贸大厦509
版权归111苏州上野机电设备有限公司所有 苏ICP备16035515号-1 技术支持:易动力网络