电话:0512-66051469
传真:0512-66051489
邮箱:2461896109@qq.com
地址:苏州市吴中区南湖路71号天贸大厦509
高质量高精度的TSUBAKI椿本齿轮转向器型号:ED7B30-1-LR-O-Y
苏州上野机电设备有限公司询价咨询电话:17895046997 刘先生 同微信

高性能·高效率的标准型·直交轴型的螺旋锥齿轮箱。
销售以来的五十多年间,广泛应用于各种用途的长寿产品。
具有丰富的实际经验与成绩,信赖性获得了各个行业客户的高度评价。
采用高精度螺旋伞齿齿轮,实现高效率和高传动能力。
特点
・丰富品种
可从丰富的种类中选出最适的一台。
满足各种市场需求,可对应各类特殊形式要求。
・高质量
采用AGMA规格的高精度螺旋伞齿齿轮,实现高效率和高传动能力。
・可提供食品润滑油规格。
可提供封入NSF指定的 H1级别食品润滑油的规格。
外形尺寸与标准规格相同。


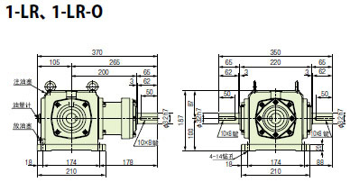
・因键槽的相位与图纸不同,敬请注意。
・外形尺寸图是7M尺寸时的轴径尺寸。轴径尺寸根据减速比的不同而变化,详情请确认图。
・各旋塞,油量计,滑脂嘴为安装方式Y(地面安装)的位置。
| 减速比 | 横向轴转速 r/min | 传动能力:横向单轴型 | 容许OHL | 交叉轴容许扭矩 | 惯性力矩 {GD2} | 背隙 度 | 大概 质量 kg | 大致油量 (油浴 ) | |||||||
|---|---|---|---|---|---|---|---|---|---|---|---|---|---|---|---|
| 输入 kW | 交叉轴扭矩 | 横向轴 | 直交轴 | ||||||||||||
| N・m | {kgf・m} | N・m | {kgf・m} | N・m | {kgf・m} | N・m | {kgf・m} | ×10-3 kg・m2 | ×10-3 {kgf・m2} | ||||||
| 3:1 | 3000 | --- | --- | --- | --- | --- | --- | --- | 320 | 32.7 | 0.93 | 3.72 | 0.08 ~ 0.45 | 32 | 1.5L |
| 2000 | 7.30 | 102 | 10.4 | 2696 | 275 | 4756 | 485 | ||||||||
| 1750 | 6.48 | 104 | 10.6 | 3038 | 310 | 4998 | 510 | ||||||||
| 1450 | 5.42 | 105 | 10.7 | 3430 | 350 | 5390 | 550 | ||||||||
| 1150 | 4.34 | 106 | 10.8 | 4067 | 415 | 5978 | 610 | ||||||||
| 870 | 3.34 | 108 | 11.0 | 4753 | 485 | 6076 | 620 | ||||||||
| 580 | 2.25 | 109 | 11.1 | 5096 | 520 | 6174 | 630 | ||||||||
| 300 | 1.18 | 111 | 11.3 | 5096 | 520 | 6272 | 640 | ||||||||
| 100 | 0.40 | 115 | 11.7 | 5096 | 520 | 6272 | 640 | ||||||||
| 10 | 0.04 | 118 | 12.0 | 5096 | 520 | 6272 | 640 | ||||||||
・在各转速间使用时,请用插值法计算。
・横向轴转速低于10r/min时,请使用10r/min时的数值。
・横向轴转速超过1750r/min使用时,为强制注油规格。(特殊规格的介绍)
因使用范围·传动能力受运行时间,运行周期,环境温度,负载状况的限制,请向本公司咨询。
| 减 速 部 | 轴端键槽部 | 新JIS键(JIS B1301-1976):附键(输出轴)(键槽为通用形式。) |
|---|---|---|
| 输出轴端 | 有螺孔加工 | |
| 周 围 条 件 | 设置场所 | 室内灰尘少,无水淋的场所 |
| 环境温度 | -10℃~50℃ | |
| 环境湿度 | 95%以下(无结露) | |
| 高 度 | 海拔1000m以下 | |
| 环 境 | 无腐蚀性气体·爆炸性气体·蒸汽等 | |
| 安装方向 | 有水平,垂直,倾斜,安装角度的限制 | |
| 涂饰颜色 | 蒙塞尔 2.5G6/3 | |
苏州上野机电设备有限公司销售型号如下:
ED7M-1-LR-Y
ED7B15-1-LR-Y
ED7B20-1-LR-Y
ED7B25-1-LR-Y
ED7B30-1-LR-Y
ED7M-1-R-Y
ED7B15-1-R-Y
ED7B20-1-R-Y
ED7B25-1-R-Y
ED7B30-1-R-Y
ED7M-1-L-Y
ED7B15-1-L-Y
ED7B20-1-L-Y
ED7B25-1-L-Y
ED7B30-1-L-Y
ED7M-1-LR-O-Y
ED7B15-1-LR-O-Y
ED7B20-1-LR-O-Y
ED7B25-1-LR-O-Y
ED7B30-1-LR-O-Y
ED7M-1-R-O-Y
ED7B15-1-R-O-Y
ED7B20-1-R-O-Y
ED7B25-1-R-O-Y
ED7B30-1-R-O-Y
ED7M-1-L-O-Y
ED7B15-1-L-O-Y
ED7B20-1-L-O-Y
ED7B25-1-L-O-Y
ED7B30-1-L-O-Y
ED7M-1-UD-Y
ED7B15-1-UD-Y
ED7B20-1-UD-Y
ED7B25-1-UD-Y
ED7B30-1-UD-Y
ED7M-1-U-Y
ED7B15-1-U-Y
ED7B20-1-U-Y
ED7B25-1-U-Y
ED7B30-1-U-Y
ED7M-1-D-Y
ED7B15-1-D-Y
ED7B20-1-D-Y
ED7B25-1-D-Y
ED7B30-1-D-Y
ED7M-1-UD-O-Y
ED7B15-1-UD-O-Y
ED7B20-1-UD-O-Y
ED7B25-1-UD-O-Y
ED7B30-1-UD-O-Y
ED7M-1-U-O-Y
ED7B15-1-U-O-Y
ED7B20-1-U-O-Y
ED7B25-1-U-O-Y
ED7B30-1-U-O-Y
ED7M-1-D-O-Y
ED7B15-1-D-O-Y
ED7B20-1-D-O-Y
ED7B25-1-D-O-Y
ED7B30-1-D-O-Y
ED7M-U-LR-Y
ED7B15-U-LR-Y
ED7B20-U-LR-Y
ED7B25-U-LR-Y
ED7B30-U-LR-Y
ED7M-U-R-Y
ED7B15-U-R-Y
ED7B20-U-R-Y
ED7B25-U-R-Y
ED7B30-U-R-Y
ED7M-U-L-Y
ED7B15-U-L-Y
ED7B20-U-L-Y
ED7B25-U-L-Y
ED7B30-U-L-Y
ED7M-U-LR-O-Y
ED7B15-U-LR-O-Y
ED7B20-U-LR-O-Y
ED7B25-U-LR-O-Y
ED7B30-U-LR-O-Y
ED7M-U-R-O-Y
ED7B15-U-R-O-Y
ED7B20-U-R-O-Y
ED7B25-U-R-O-Y
ED7B30-U-R-O-Y
ED7M-U-L-O-Y
ED7B15-U-L-O-Y
ED7B20-U-L-O-Y
ED7B25-U-L-O-Y
ED7B30-U-L-O-Y
ED7M-D-LR-Y
ED7B15-D-LR-Y
ED7B20-D-LR-Y
ED7B25-D-LR-Y
ED7B30-D-LR-Y
ED7M-D-R-Y
ED7B15-D-R-Y
ED7B20-D-R-Y
ED7B25-D-R-Y
ED7B30-D-R-Y
ED7M-D-L-Y
ED7B15-D-L-Y
ED7B20-D-L-Y
ED7B25-D-L-Y
ED7B30-D-L-Y
ED7M-D-LR-O-Y
ED7B15-D-LR-O-Y
ED7B20-D-LR-O-Y
ED7B25-D-LR-O-Y
ED7B30-D-LR-O-Y
ED7M-D-R-O-Y
ED7B15-D-R-O-Y
ED7B20-D-R-O-Y
ED7B25-D-R-O-Y
ED7B30-D-R-O-Y
ED7M-D-L-O-Y
ED7B15-D-L-O-Y
ED7B20-D-L-O-Y
ED7B25-D-L-O-Y
ED7B30-D-L-O-Y
电话:0512-66051469 传真:0512-66051489 邮箱:2461896109@qq.com
网址: www.ueno-china.com 地址:苏州市吴中区南湖路71号天贸大厦509
版权归111苏州上野机电设备有限公司所有 苏ICP备16035515号-1 技术支持:易动力网络