电话:0512-66051469
传真:0512-66051489
邮箱:2461896109@qq.com
地址:苏州市吴中区南湖路71号天贸大厦509
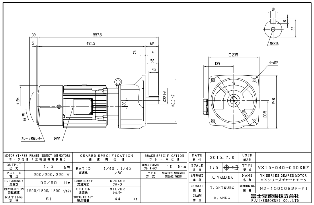
日本原装进口FUJI富士减速电机型号:VX15-040EBF
苏州上野机电设备有限公司询价咨询电话:17895046997 刘先生 同微信

特点:
变频器运行
带制动器手动释放装置
端子盒90°位置可变更
低噪音、长寿命
免维护
标准型:
顶轮基准对应齿轮马达
异电压电动机
采用低噪音无风扇电机
防止润滑脂泄漏强化
小型轻量化
防水型:
强大的防水结构
高防锈效果

| モータ | 定格出力 | 三相 4極 |
|---|---|---|
| 1.5 kW | ||
| 定格電圧 | 200/200-220 V | |
| 定格周波数 | 50/60 Hz | |
| 時間定格 | S1 | |
| 耐熱クラス | 155(F) | |
| 始動方式 | 直入れ | |
| 外被構造 | 全閉外扇形 | |
| 保護等級 | IP44 | |
| IEコード | IE3 | |
| ブレーキ (ブレーキ付の時) | 制動方式 | 直流無励磁作動形 |
| 耐熱クラス | 120(E) | |
| 電源装置 | 端子箱内に内蔵 | |
| ブレーキトルク | 150/180% | |
| 減速機 | 減速方式 | 平行軸 |
| 減速比(呼称) | 1 / 40 | |
| 実減速比 | 1 / 41.23 | |
| 出力軸回転速度 | 37.5/45 r/min | |
| 出力軸許容トルク | 380/310 N・m | |
| 39/32 kgf・m | ||
| 出力軸許容O.H.L | 6400 N | |
| 650 kgf | ||
| 潤滑方式 | グリース潤滑 | |
| 出力軸キー | 新 JIS B 1301-1996平行キー(普通形) | |
| 質量 | 44 kg | |
| 塗装色 | シルバー | |
| 取付方向 | 自由 | |
| 周囲条件 | 設置場所 | 屋内 |
| 周囲温度 | ー15℃~+40℃ | |
| 周囲湿度 | 85%以下 (結露しないこと) | |
| 標 高 | 1000m以下 | |
| 雰囲気 | 塵埃・オイルミストがなく、水のかからないこと 腐食性および爆発性のガス・蒸気のないこと | |
苏州上野机电设备有限公司销售型号如下:
VC01-007EBF
VC01-010EBF
VC01-015EBF
VC01-020EBF
VC01-025EBF
VC01-030EBF
VC01-040EBF
VC01-045EBF
VC01-050EBF
VC01-060EBF
VC01-080EBF
VC01-100EBF
VC01-120EBF
VC01-160EBF
VC01-200EBF
VC01-240EBF
VC02-007EBF
VC02-010EBF
VC02-015EBF
VC02-020EBF
VC02-025EBF
VC02-030EBF
VC02-040EBF
VC02-045EBF
VC02-050EBF
VC02-060EBF
VC02-080EBF
VC02-100EBF
VC02-120EBF
VC02-160EBF
VC02-200EBF
VC02-240EBF
VC04-007EBF
VC04-010EBF
VC04-015EBF
VC04-020EBF
VC04-025EBF
VC04-030EBF
VC04-040EBF
VC04-045EBF
VC04-050EBF
VC04-060EBF
VC04-080EBF
VC04-100EBF
VC04-120EBF
VC04-160EBF
VC04-200EBF
VC04-240EBF
VC08-007EBF
VC08-010EBF
VC08-015EBF
VC08-020EBF
VC08-025EBF
VC08-030EBF
VC08-040EBF
VC08-045EBF
VC08-050EBF
VC08-060EBF
VC08-080EBF
VC08-100EBF
VC08-120EBF
VC08-160EBF
电话:0512-66051469 传真:0512-66051489 邮箱:2461896109@qq.com
网址: www.ueno-china.com 地址:苏州市吴中区南湖路71号天贸大厦509
版权归111苏州上野机电设备有限公司所有 苏ICP备16035515号-1 技术支持:易动力网络