电话:0512-66051469
传真:0512-66051489
邮箱:2461896109@qq.com
地址:苏州市吴中区南湖路71号天贸大厦509
日本SHOWA GIKEN昭和技研旋转接头型号: RXE3032LH
苏州上野机电设备有限公司销售电话:178-9504-6997 刘经理 微信同号

特長:
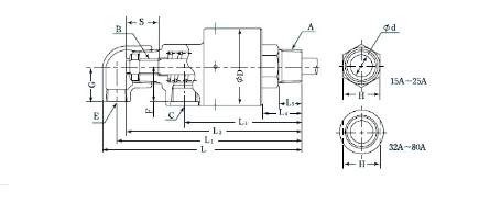
・パールロータリージョイントRXシリーズは、耐久性に優れ、極めて高度な性能を有し、使用条件に対応するRXE、RXHの2タイプがあります。
・本器には、シール材としてファインセラミックと厳選されたカーボンシールリングが組み込まれ、シール面の2ライトバンド以内の超精密ラップ加工と合わせて高速回転・低トルクを実現、さらに回り止めキー溝付のフローティングシールリングの採用によってフローティングリングの高速回転での追従性が図られており、長期にわたるシールの安定性も実現されました。
・本体の主材料として、ロータにはステンレス鋼を、ケーシングには銅合金を採用した耐久性のよい、画期的なロータリージョイントです。

| 流体 | 水・温水・油・空気・ガス | 最高圧力 | 呼称寸法(真空1.3kPa abs{10Torr}から) | ||||||||||||||
|---|---|---|---|---|---|---|---|---|---|---|---|---|---|---|---|---|---|
| 最高温度 | 100℃ | 8A~25A 2.25MPa{23kgf/cm2} | |||||||||||||||
| 最高回転数 | 呼称寸法 | 32A~40A 1.67MPa{17kgf/cm2} | |||||||||||||||
| 8A~25A 3500min-1{r.p.m} | 50A~80A 1.18MPa{12kgf/cm2} | ||||||||||||||||
| 32A~40A 2000min-1{r.p.m} | ※空気・ガスの場合 全サイズ0.98MPa{10kgf/cm2} | ||||||||||||||||
| 50A~80A 750min-1{r.p.m} | |||||||||||||||||
苏州上野机电设备有限公司销售型号:
RXE3015LH
RXE3015RH
RXE3020LH
RXE3020RH
RXE3025LH
RXE3025RH
RXE3032LH
RXE3032RH
RXE3040LH
RXE3040RH
RXE3050LH
RXE3050RH
RXE3065LH
RXE3065RH
RXE3080LH
RXE3115LH
RXE3115RH
RXE3120LH
RXE3120RH
RXE3125LH
RXE3125RH
RXE3132LH
RXE3132RH
RXE3140LH
RXE3140RH
RXE3215LH
RXE3215RH
RXE3220LH
RXE3220RH
RXE3225LH
RXE3225RH
RXE3232LH
RXE3232RH
RXE3240LH
RXE3240RH
RXE3615LH
RXE3615RH
RXE3620LH
RXE3620RH
RXE3625LH
RXE3625RH
RXE3632LH
RXE3632RH
RXE3640LH
RXE3640RH
RXE3650LH
RXE3650RH
RXE3715LH
RXE3715RH
RXE3720LH
RXE3720RH
RXE3725LH
RXE3725RH
RXE3732LH
RXE3732RH
RXE3740LH
RXE3740RH
电话:0512-66051469 传真:0512-66051489 邮箱:2461896109@qq.com
网址: www.ueno-china.com 地址:苏州市吴中区南湖路71号天贸大厦509
版权归111苏州上野机电设备有限公司所有 苏ICP备16035515号-1 技术支持:易动力网络