电话:0512-66051469
传真:0512-66051489
邮箱:2461896109@qq.com
地址:苏州市吴中区南湖路71号天贸大厦509

昭和技研旋转接头型号:RXE1050RH
苏州上野机电设备有公司销售电话:178-9504-6997 刘经理 微信同号
特長 :
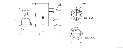
・パールロータリージョイントRXシリーズは、耐久性に優れ、極めて高度な性能を有し、使用条件に対応するRXE、RXHの2タイプがあります。
・本器には、シール材としてファインセラミックと厳選されたカーボンシールリングが組み込まれ、シール面の2ライトバンド以内の超精密ラップ加工と合わせて高速回転・低トルクを実現、さらに回り止めキー溝付のフローティングシールリングの採用によってフローティングリングの高速回転での追従性が図られており、長期にわたるシールの安定性も実現されました。
・本体の主材料として、ロータにはステンレス鋼を、ケーシングには銅合金を採用した耐久性のよい、画期的なロータリージョイントです。

| 種類 | 単式 | 使用流体 | 水 / 空気 / 蒸気 / ガス / 油 |
|---|---|---|---|
| 最高使用温度(℃) | 100 | 最高使用圧力(MPa) | 1.18 |
| 最高使用回転数(r.p.m) | 750 | 接続種類 | ネジ取付式 |
| 接続ねじの種類 供給側(単式、スイベル) | Rc | 接続ねじの種類 排出側(単式、スイベル) | R |
| 接続ねじの呼び 供給側(単式、スイベル) | [2B] 2 | 接続ねじの呼び 排出側(単式、スイベル) | [2B] 2 |
| 取付ネジ方向 | RH(右ネジ) | - | - |

| 流体 | 水・温水・油・空気・ガス | 最高圧力 | 呼称寸法(真空1.3kPa abs{10Torr}から) | ||||||||||||||
|---|---|---|---|---|---|---|---|---|---|---|---|---|---|---|---|---|---|
| 最高温度 | 100℃ | 8A~25A 2.25MPa{23kgf/cm2} | |||||||||||||||
| 最高回転数 | 呼称寸法 | 32A~40A 1.67MPa{17kgf/cm2} | |||||||||||||||
| 8A~25A 3500min-1{r.p.m} | 50A~80A 1.18MPa{12kgf/cm2} | ||||||||||||||||
| 32A~40A 2000min-1{r.p.m} | ※空気・ガスの場合 全サイズ0.98MPa{10kgf/cm2} | ||||||||||||||||
| 50A~80A 750min-1{r.p.m} | |||||||||||||||||
苏州上野机电设备有限公司销售型号:
RXE1008RH
RXE1010RH
RXE1110RH
RXE1210RH
RXE1610RH
RXE1710RH
RXE1015RH
RXE1115RH
RXE1215RH
RXE1615RH
RXE1715RH
RXE1020RH
RXE1120RH
RXE1220RH
RXE1620RH
RXE1720RH
RXE1025RH
RXE1125RH
RXE1225RH
RXE1625RH
RXE1725RH
RXE1032RH
RXE1132RH
RXE1232RH
RXE1632RH
RXE1732RH
RXE1040RH
RXE1140RH
RXE1240RH
RXE1640RH
RXE1740RH
RXE1050RH
RXE1650RH
RXE1065RH
RXE1665RH
RXE1080RH
RXE1680RH
RXH1010RH
RXH1110RH
RXH1210RH
RXH1610RH
RXH1710RH
RXH1015RH
RXH1115RH
RXH1215RH
RXH1615RH
RXH1715RH
RXH1020RH
RXH1120RH
RXH1220RH
RXH1620RH
RXH1720RH
RXH1025RH
RXH1125RH
RXH1225RH
RXH1625RH
RXH1725RH
RXH1032RH
RXH1132RH
RXH1232RH
RXH1632RH
RXH1732RH
RXH1040RH
RXH1140RH
RXH1240RH
RXH1640RH
RXH1740RH
RXH1050RH
RXH1650RH
RXH1065RH
RXH1665RH
RXH1080RH
RXH1680RH
RXE1008LH
RXE1010LH
RXE1110LH
RXE1210LH
RXE1610LH
RXE1710LH
RXE1015LH
RXE1115LH
RXE1215LH
RXE1615LH
RXE1715LH
RXE1020LH
RXE1120LH
RXE1220LH
RXE1620LH
RXE1720LH
RXE1025LH
RXE1125LH
RXE1225LH
RXE1625LH
RXE1725LH
RXE1032LH
RXE1132LH
RXE1232LH
RXE1632LH
RXE1732LH
RXE1040LH
RXE1140LH
RXE1240LH
RXE1640LH
RXE1740LH
RXE1050LH
RXE1650LH
RXE1065LH
RXE1665LH
RXE1080LH
RXE1680LH
RXH1010LH
RXH1110LH
RXH1210LH
RXH1610LH
RXH1710LH
RXH1015LH
RXH1115LH
RXH1215LH
RXH1615LH
RXH1715LH
RXH1020LH
RXH1120LH
RXH1220LH
RXH1620LH
RXH1720LH
RXH1025LH
RXH1125LH
RXH1225LH
RXH1625LH
RXH1725LH
RXH1032LH
RXH1132LH
RXH1232LH
RXH1632LH
RXH1732LH
RXH1040LH
RXH1140LH
RXH1240LH
RXH1640LH
RXH1740LH
RXH1050LH
RXH1650LH
RXH1065LH
RXH1665LH
RXH1080LH
RXH1680LH
电话:0512-66051469 传真:0512-66051489 邮箱:2461896109@qq.com
网址: www.ueno-china.com 地址:苏州市吴中区南湖路71号天贸大厦509
版权归111苏州上野机电设备有限公司所有 苏ICP备16035515号-1 技术支持:易动力网络