电话:0512-66051469
传真:0512-66051489
邮箱:2461896109@qq.com
地址:苏州市吴中区南湖路71号天贸大厦509
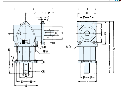
日本KHK-KOMPASS 转向器型号: KBX-151L

苏州上野机电设备有限公司销售电话:178-9504-6997 刘经理 微信同号

| A | B | C | D | E | F | G | H | I | J | K | L | M | P | Q | R | U |
|---|---|---|---|---|---|---|---|---|---|---|---|---|---|---|---|---|
| 66 | 100 | 31 | 36 | 31 | 22 | 80 | 62 | 66 | 140 | 8 | 137 | 170 | 30 | 8.5 | 8.5 | 3 |
苏州上野机电设备有限公司是一家专业的日本机械设备及零部件提供商。 主要经营KG协育齿轮、BELLPONY减速机 ,URAS TECHNO村上振动电机/振动器 ,TAC主轴电机,ORIENTALMOTOR东方马达 ,TTSUBAKI椿本减速机 ,GTR日精减速机,沃康传感器 ,FUJI富士减速机,AOKI青木减速机 ,九洲联轴器、MITSUBISHI三菱减速马达、HITACHI日立减速机,井口ISB機工,小仓离合器 ,内村脚轮,哈玛脚轮,优越脚轮,冈本工机脚轮,狮子吼脚轮,TOK轴承,三木联轴器 ,三星皮带,KYOWA协和转向接头,大同联轴器 ,九州联轴器 ,、NASTOA 焊接电源、JPE HO- MOTOR,昭和风机,松下过滤风机 ,ONIKAZE赤松风机/送风机 ,仓敷化工 等,我们还与其他厂商建立了良好的代理协作关系, 为顾客提供种类繁多价格可靠的众多产品,以及有效地降低了采购和物流成本。 我司有丰富现场经验的工程技术人员和广泛的服务网络,能随时为客户提供完善便捷的服务和技术支持。
苏州上野机电设备有限公司销售型号:
KBX-101L 1/1 10 L型
KBX-101T 1/1 10 T型
KBX-102L 1/2 10 L型
KBX-102T 1/2 10 T型
KBX-151L 1/1 15 L型
KBX-151T 1/1 15 T型
KBX-152L 1/2 15 L型
KBX-152T 1/2 15 T型
KBX-201L 1/1 20 L型
KBX-201T 1/1 20 T型
KBX-202L 1/2 20 L型
KBX-202T 1/2 20 T型
电话:0512-66051469 传真:0512-66051489 邮箱:2461896109@qq.com
网址: www.ueno-china.com 地址:苏州市吴中区南湖路71号天贸大厦509
版权归111苏州上野机电设备有限公司所有 苏ICP备16035515号-1 技术支持:易动力网络