电话:0512-66051469
传真:0512-66051489
邮箱:2461896109@qq.com
地址:苏州市吴中区南湖路71号天贸大厦509

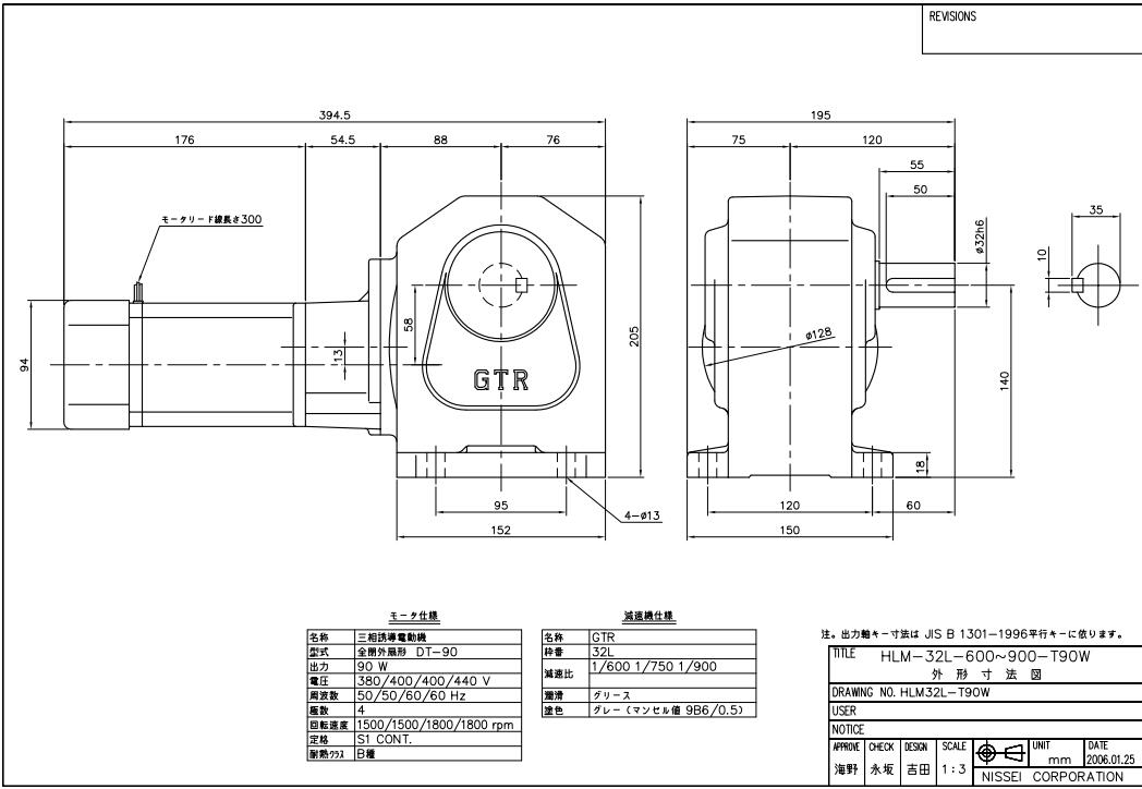
通风设备可用的日精减速机HL32L750-CTMR90WT
苏州上野公司主营日本机械,联 系人张涛 手 机188-9698-4864。
苏州上野公司张涛批发日本GTR株式会社日精减速机型号HL32L750-CTMR90WT电源380V。日精减速机是株式会社日精NISSEI CORPORATION下的主要产品,包括中小功率减速机和伺服电机用减速机。株式会社日精成立于1942年,是日本知名的综合传动产品制造商之一,为日本公众上市公司。
苏州上野机电设备有限公司是一家日本进口机械供应商。主要经营日本GTR株式会社日精减速机等,我们还与其他厂商建立了良好的代理协作关系,为顾客提供种类繁多价格可靠的众多产品,帮助广大客户降低了采购和物流成本。2021年我司重点面向在华日企,央企国企,A股上市股份公司等大客户大订单,进一步优化服务水平,和客户朋友一起发展壮大!
苏州上野公司张涛批发销售的型号:
日本GTR株式会社日精减速机型号HL32L750-CTMR90WT电源380V
苏州上野公司张涛批发销售的型号:
减速机 F2SM-15-15-T60W
减速电机 F2SM-15-15-T90T国内3C认证型号:F2S15N015-CTMR90NT
减速机 F2SM-15-160
电机 F2SM-15-160-S40 CCC认证型号:F2S15N160-CSMR40NT
电机 F2SM-15-160-T60K CCC认证型号: F2S15N160-CTMR60NK
减速机 F2SM-15-20-T90K
电机 F2SM-15-30-S90国内3C认证型号:F2S15N030-CSMR90NT
减速电机 F2SM-15-30-T90K国内3C认证型号:F2S15N030-CTMR90NK
电机 F2SM-15-60-T90T
减速机 F2SM-25-10-TO2OA
减速机 F2SM-25-20-T020A
减速机 F2SM-25-30-T020A 国内3C认证型号:F3S25N030-CTM020NA
减速机 F2SM-25-40-T020A
马达 F2SM-35-30-075 CCC认证型号:F3S35N030-CTM075NN
减速机 F2SM-35-30-150W
齿轮马达 F2SM-35-30-T075
电机 F2SM-35-60-075 CCC认证号:F3S35N060-CTM075NS
减速机 F2SS-25-25-020停产,更新品:F3SS-25-25-020
减速电机 F2SW-12-30-T40
马达 F2SW-15-100-T90
电机 F2SW-15-30-T-60
电机 F2SW-15-40-T-60
马达 F2SW-15-80-T90
减速机 F2SW-25-40-T020A国内3C认证型号:F3S25N040-CTWM020NE
减速机 F2SW-35-5-075ET国内3C认证型号:F3S35N5-HEW075TNCE
电机 F3F18L010-CTM010NA
电机 F3F22L 12.5CTM020NA国内3C认证型号:F3F22L125-CTM020NA
电机 F3F22L010-CTM020NA
电机 F3F22L010-CTM020WAXT3 380V/50HZ
减速电机 F3F22L020-CTM020WA 200V/50Hz
电机 F3F22L-12.5-CTM020NA国内3C认证型号:F3F22L012-CTM020NA 200V 50HZ
减速电机 F3F22L60-CTM020NA 200V/50Hz
减速电机 F3F22L60N-T020A (200V 200W 1/60 25RPM)
减速机 F3F28R050-CTB040WZ
减速机 F3F32L060-HEM075TWCT
减速机 F3F40L060-HEM150TWCT
减速电机 F3FM-22L-20-T020WA (200V 200W 1/2 25RPM)
苏州上野公司张涛批发销售的型号:
减速机 F3FM-40L-60-150国内3C认证型号:F3F40L060-HEM150TNCT
马达 F3S20N010-CTB010NA
马达 F3S20N010-YTB010NA
减速电机 F3S20N015-CTB010WA
减速机 F3S20NO12.5-CTB010NZX
减速电机 F3S25N005-CTB020WA
减速机 F3S25N005-CTM020NA
减速机 F3S25N005-CTM020WA
减速机 F3S25N007-CTM020WA
减速电机 F3S25N010-CTB020NA
减速机 F3S25N010-CTM020NA
减速机 F3S25N010-CTM020NAX S/N:27563490007
减速机 F3S25N010-CTN040NAX S/N:22568960007
减速机电机 F3S25N010-YTB020NA型号不明
减速机 F3S25N020-CTM020WA
减速机 F3S25N030-CTB020NA
减速机 F3S25N030-CTM020NA
减速机 F3S25N040-CTM020WA
减速机 F3S25N30-CTB020NA
电机 F3S25N30-CTB20NA
减速电机 F3S30N015-CTM040NAX
减速机 F3S30N025-CTM040WA
苏州上野公司张涛批发销售的型号:
减速机 F3S30N050-CTM040WA
减速机 F3S30N075-CTJ040NA
减速机 F3S35N030-CTM075NS
电机 F3S35N060-HEW075TWCE 380V 50HZ
电机 F3S35N60-CTB075NE
减速电机 F3SB-45-30-150W CCC认证型号 F3S45N030-HEB150TWCT 380V 50HZ
电机 F3SJ-45-120-075W
减速机 F3SM-20-20-T010A国内3C认证型号:F3S20N020-CTM010NA
减速机 F3SM-20-50-T010WA
减速机 F3SM-25-10-T020A国内3C认证型号:F3S25N010-CTM020NA
马达 F3SM-25-60-T020A国内3C认证型号:F3S25N060-CTM020NA
减速机 F3SM-30-20-TO40A
减速电机 F3SM-30-30-T040A
减速机 F3SM-30-30-T040WA
减速机 F3SM-30-T040WA
减速机 F3SM-35-30-075WA
苏州上野公司张涛批发销售的型号:
减速机 F3SM-35-5-T075A
减速机 F3SM-45-60-150W
电机 FECQ-T10(HLMN-32R)0.4KW
减速电机 FECQ-T2 0.4KW 200V 50HZ
电机 FECQ-T2 0.75KW 4P 3PH 200V 50/60HZ
减速机 FECQ-T2 220V 1:20
电机 FELK-5G71 3相400V 4P 1.5KW
电机 FELK-5G71 3相400V 4P 2.2KW
减速机 FF32L040-CTM040WAX NO:13569691008
减速机 FFJ-40L-30-075WX S/N:28154910001
减速机 FFM-22L-10-T020A 200V
减速机 FFM-28L-40-T020WZ
减速机 FFM-28L-450-T010WAX 0.1KW 4P S/N:36166420002
减速机 FG-15B-15-T40T
减速机 FGU-12B-200-S15W AC200V
减速机 FS-25-10-010
电机 FS25N060-CTWM010WE
减速机 FS30N025-CTM020WT
减速机 FS30N040-CTM020WA
减速机 FS30N200-CTB020NA
电机 FS30N450-CTWM010WE
电机 FS325N010-CTB020NA
苏州上野公司张涛批发销售的型号:
电机 FS325N010-YTB020NA
减速机 FS-35-120-040
减速机 FS35N025-CTM040WT
电机 FS35N060-CTWM040WE
电机 FS35N100-CTM040NA
电机 FS35N120-CTB040WA
电机 FS35N450-CTB020NA
减速机 FS-45-120-075
减速电机 FS45N010-CTM075N
电机 FS45N015-CTB075WS
减速机 FS45N060-CTM075W国内3C认证型号:FS45N60-HEM075TWCT
电机 FS45N060-CTWM0750WE
减速机 FS45N100-HEM075TBCT
减速机 FS45N15X-CTB020WA
减速机 FS45N240-HEB075TNCT
电机 FS45N600-CTWM020WE
减速机 FS55N300-HEM075TWCT
电机 FS55N60-HEJ220TWCT
电机 FS55N750-CTWM040WE
电机 FS55N750-CTWM040WEX
减速机 FSJ-30-375-T010A国内3C认证型号:FS30N375-CTJ010NA
减速机 FSJ-35-120-T40A 0.4KW 三相200V对应3C认证型号:FS35N120-CTJ040NA
减速电机 FSJ-55-20-220W
Gear Motor日精减速机 FSJ-55-60-220W
电机 FSM-20-160-T50
电机 FSM-20-20-T50A
苏州上野公司张涛批发销售的型号:
产品 FSM-20-30-T50A
电机 FSM-20-40-T50A
电机 FSM-20-80-T50A
输送机马达减速机 FSM-25-100-T010A国内3C认证型号:FS25N100-CTM010NA
电机 FSM-25-200-T010A CCC认证型号:FS25N200-CTM010NA
电机 FSM-25-25-T010WA CCC认证号:FS25N025-CTM010WA
马达 FSM-30-200-T020A CCC认证号:FS30N200-CTM020NA
减速机 FSM-30-200-T020A国内3C认证型号:FS30N200-CTM020NA 0.2KW
减速电机 FSM-30-30-T020WA
减速机 FSM-30-60-T020国内3C认证型号:FS30N060-CTM020NA
减速机 FSM-30-80-T020WA
电机 FSM-35-50-T040WA国内3C认证型号:FS35N050-CTM040WA
减速电机 FSM-55-10-150
减速电机 FSM-55-240-150
减速电机 FSMN-20-25-T50Z-4P-50W/200V
直交轴马达 FSMN-20-30-T50A
减速机 FSMN-25-100-T010WZ
减速机 FSMN-25-100-T010Z国内3C认证型号:FS25N100-CTB010NZ
马达 FSMN-25-200-T010A国内3C认证型号:FS25N200-CTB010NA
减速机 FSMN-25-200-TO1OA国内3C认证型号:FS25N200-CTB010NA
减速机 FSMN-25-240-T010A国内3C认证型号:FS25N240-CTB010WA
电机 FSMN-30-30-T020WA
减速电机 FSMN-30-375-T010A
减速机 FSMN-30-900-T050A
电机 FSMN-35-450-T020A
电机 FSMN-35-450-T020WA 国内3C认证型号:FS35N450-CTB020WA
减速机 FSMN-45-10-075WX S/N:37263772002
减速电机 FSMN-55-015-150W
苏州上野公司张涛批发销售的型号:
电机 FSMN-55-1200-T040WA CCC认证型号:FS55N12X-CTB040WA
电机 FSMN-55-15-150W 1.5KW
减速机 FSMN-55-5-150W 3C认证型号:FS55N005-HEB150TWCT
电机 FSMY-45-1500-T-020A
减速机 FSW-25-50-T010国内3C认证型号:FS25N050-CTWM010NEX 220V
电机 FSW35-60-T040WE
减速机 FSW-45-10-075WE
减速机 FSW-55-750-T040WE国内3C认证型号:FS55N750-CTWM40WE
马达 G3F 18N025-CTB010NA CCC
减速电机 G3F18N005-CTM020NA
减速电机(两轴) G3F18N010-CTM020WAXH6 380V
电机 G3F18N020-CTB020NA 200V 50HZ
减速机 G3F18N020-CTM020WA
电机 G3F18N025-CTB010NA
减速电机 G3F18N040-CTM010NA
减速机 G3F18N0500--CTM020NACTM010NA
电机 G3F18N050-CTB010NAX 220V 50HZ
电机 G3F18N-050-CTB010WA 220V
减速机 G3F18N050-CTM010NA
减速机 G3F22N005-CTM040NA
电机 G3F22N015-CTB040WA
减速机 G3F22N020-CTB040NZX
减速机 G3F22N020-CTM040WA
减速机 G3F22N025-CTM040NA
减速机 G3F22N120-CTB010NA
减速机 G3F28N015-CTM075NS
电机 G3F28N060-CTB040NA
减速机 G3F28N375-CTB010WA
电机 G3F28N375-CTBO 10WA
减速机 G3F32N050-CTM075NS
减速电机 G3F32N10-HEB150TWCT,1.5KW
减速机 G3F32N450-CTM015AS 3PH/220/60HZ
电机 G3F32N750-CTM010NN
电机 G3F3N750-CTM010NN
苏州上野公司张涛批发销售的型号:
减速机 G3FB-18-10-T020
电机 G3FB18-20-020
减速机 G3FB-22-120-100
电机 G3FB-22-15-T040W 380V
产品 G3FB-22-160-T010A国内3C认证型号:G3F22N160-CTB010NA
BEAD2#支给品 G3FB-28-25-0.75、380V、50HZ 新品:G3F28N025-CTB075WS
异步电机 G3FB-28-40-T040A/G3F28N040-CTM040NA
异步电机 G3FB-28-40-T040A国内3C认证型号:G3F28N040-CTM040NA
减速机 G3FB-28-50-T040
电机 G3FB-28-60-T040A 3C型号:G3F28N060-CTB040NA
电机 G3FB-28-60-TO40W国内3C认证型号:G3F28N060-CTB040WA
BEAD2#支给品 G3FB-28-80-T040W 400V 50HZ 新品:G3F28NO80-CTBO40WAX X=400V/50HZ
电机 G3FB-32-25-150T
减速电机 G3FB-32-80-075W
减速电机 G3FB-32-80-075WX MFG NO :OX267834001 3C认证后型号 G3F32N80-HEB075TWGTX
减速机 G3FB-32-80-075WX S/N:2Z265574002
电机 G3FB-32-80-075国内3C认证型号:G3F32N080-CTB075NS 1/80 0.75KW
减速机 G3FB-40-080-150N 1.5KW 200V 50HZ
电机 G3FB-40-120-075 CCC认证型号:G3F40N120-CTB075NS
减速电机 G3FB-40-80-150W 1.5KW 220V 50HZ
电机 G3FE-22-20-T020
减速机 G3FE-22-40-T020A
日精减速机 G3FE-28-100-T040A 0.4KW 380V/50HZ
Gear Motor日精减速机 G3FJ-32-25-150W
电机 G3FJ-40-20-220X NO.82149267001
减速电机 G3FM-18-10-T020WA CCC型号:G3F18N010-CTM020WA
电机 G3FM-18-20-T020 3C认证型号:G3F18N020-CTM020NA
电机 G3FM-18-25-T20
减速电机 G3FM-18-5-T020
减速电机 G3FM-18-5-T020 0.2KW AC200V 60HZ 4P 3PH 5:1
电机 G3FM-18-5-T020W国内3C认证型号:G3F18N005-CTM020WA
Motor G3FM-22-10-TO40WA
减速机 G3FM-22-15-T040A CCC型号:G3F22N015-CTM040NA
减速机 G3FM-22-15-T040WA国内3C认证型号:G3F22N015-CTM040WA
Motor G3FM-22-40-TO20WA
苏州上野公司张涛批发销售的型号:
电机 G3FM-22-5-T040W
减速机 G3FM-25-10-075W
减速机 G3FM-25-30-075KW
减速机 G3FM-28-040-T040
减速机 G3FM-28-30-220W
减速机 G3FM-32-005-150WS 3P 380V 50HZ
Motor G3FM-32-10-150W
Motor G3FM-32-10-150WX T9 380V 50Hz
减速机 G3FM-32-1200-T010
减速机 G3FM-32-15-150N
电机 G3FM-32-750-T010 3C认证型号:G3F32N750-CTM010NA
减速机 G3FM-40-10-220
减速电机 G3FS-28-30-100-040
减速机 G3K18N005-CTMJ010WA
电机 G3K22N005-CTWB040NEX 220V/50HZ
齿轮减速机 G3K22N010-CTWB010NE
电机 G3K22N060-CTB20WAX
电机 G3K22N120-CTB10WAX
减速机 G3K32N120-CTM040WA
减速机 G3KB-22-5-T040WA
减速机 G3KB22N010-C-CTB040NA
电机 G3KB-28-100-T020W
减速机 G3KB-28-25-075W国内3C认证型号:G3K28N025-HEB075TWCT
减速机 G3KB-28-5-075W国内3C认证型号:G3K28N005-HEB075TWCT
电机 G3KM-18-20-T020A 3C认证型号:G3K18N020-CTM020NA
减速机 G3KM-22-5-T040WA国内3C认证型号:G3K22N005-CTM040WA
Motor G3KM-22-5-TO40WA XT6
电机 G3KM-22-60-T020A 3C认证型号:G3K22N060-CTM020NA
减速机 G3KM-28-5-T075WA国内3C认证型号:G3K28N005-HEM075TWCT
马达 G3L.B-40-100-150N
BEAD2#支给品 G3L-18-10-(010) 1=1/10
减速机 G3L-18-10-010
减速机 G3L-18-10-010 平行轴
减速头 G3L-18-15-010
苏州上野公司张涛批发销售的型号:
减速机 G3L-18-50-010 1:50 380V
减速机 G3L18N005-CTB020WA 380V/50HZ
减速马达 G3L18N010-CTB020NA
电机 G3L18N010-CTM020WA
电机 G3L18N015-CTB020NA 220V/50HZ/3PH
电机 G3L18N015-CTB020WA
减速电机 G3L18N015-CTB020WA 1/15
减速机 G3L18N015-CTM020WA
减速机 G3L18N020-CTM020NA
减速马达 G3L18N020-CTM020WA
减速电机 G3L18N020-CTM020WA,380V,50HZ 380V,50HZ
减速机 G3L18N025-CTB020NAX 220V
电机 G3L18N025-CTB020NN
减速机 G3L18N025-CTM020NAX 220V
减速机 G3L18N030-CTB010NZX
电话:0512-66051469 传真:0512-66051489 邮箱:2461896109@qq.com
网址: www.ueno-china.com 地址:苏州市吴中区南湖路71号天贸大厦509
版权归111苏州上野机电设备有限公司所有 苏ICP备16035515号-1 技术支持:易动力网络