电话:0512-66051469
传真:0512-66051489
邮箱:2461896109@qq.com
地址:苏州市吴中区南湖路71号天贸大厦509
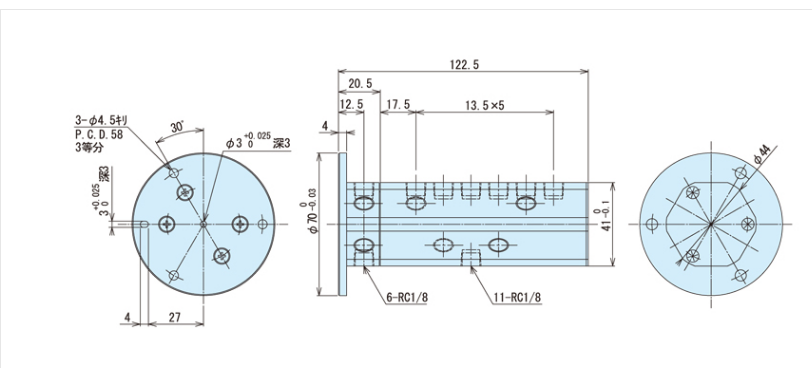
日本原装进口近藤KONSEI旋转接头:RJF-6A-M5
我司自己进口报关 货期短 价格便宜 没有中间商赚差价
苏州上野机电设备有限公司销售电话:178-9504-6997 刘经理 微信同号
特長:
・小型重視のポジショナー用ロータリージョイント。
・回転抵抗が少なく低摺動抵抗。
・ベアリング内蔵により高剛性・低摺動。
・流量の違う2機種を標準化。
・6・12・16ポートが新規ラインナップ(RJF)。
・12・16ポートの高さを抑えたタイプが新規ラインナップ(RJFS)。

苏州上野机电设备有限公司销售型号如下:
RJF-4A-6
RJF-4A-M5
RJF-6A-6
RJF-6A-M5
RJF-8A-6
RJF-8A-M5
RJF-12A-M5
RJF-16A-M5
RJFS-12A-M5
RJFS-16A-M5
电话:0512-66051469 传真:0512-66051489 邮箱:2461896109@qq.com
网址: www.ueno-china.com 地址:苏州市吴中区南湖路71号天贸大厦509
版权归111苏州上野机电设备有限公司所有 苏ICP备16035515号-1 技术支持:易动力网络