电话:0512-66051469
传真:0512-66051489
邮箱:2461896109@qq.com
地址:苏州市吴中区南湖路71号天贸大厦509
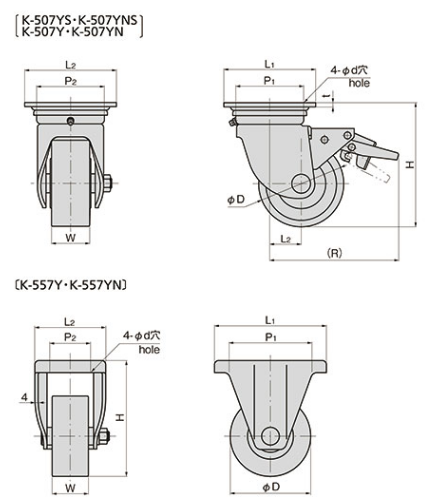
日本TAKIGEN泷源脚轮型号:K-557YN-200 固定轮
苏州上野机电设备有限公司销售电话:178-9504-6997 刘经理 微信同号

TAKIGEN制造株式会社从1910年起创,致力于在配电盘・分电盘等所有领域的方向盘、把手、产业用锁头、铰链等部品、常年获得客户的高度信赖。

K-557YN-200 固定轮
用于重荷载用平板推车、大型机械的重型活动脚轮,铁制,带制动/不带制动型
材质∶本体/热轧钢板(SPHC)
车轮/UMC尼龙(深蓝色)
表面处理∶本体/镀彩锌(MFZn-C)
注意:固定轮请使用K-557Y产品。
使用周围温度∶-20~+110℃

使用方法:
不同材质的脚轮选型指南
●有关车轮的特性、特征
●聚酰胺6
代替铸件车轮、钢铁车轮等,被作为高性能塑胶材料使用。具有自我润滑性,长时间放置也不会导致车轮变形。耐药剂性、耐腐蚀性、耐磨耗性优良。
●MC尼龙
最大限度发挥塑胶材料优点的工业用车轮。弥补了橡胶及铁材料的不足的高性能车轮。耐大荷重性、寿命长、容易行驶性、耐热性、耐寒性、低骚音性、耐药剂性优异。
●橡胶轮
最常用的普通车轮。因其表面硬度低,加之具有弹性,特别适合于要求缓冲性的场合。即使在颠簸路面上亦能轻松行驶,有安定性。
●氨基甲酸乙酯
耐油性、耐磨损性、低温性能良好,同时相对容易地作色彩变化。因肉厚成型性好,弹性大,吸收冲击对装载物不造成损害。
●酚醛树脂
通过加热和压力加工成型的合成树脂,适合表面硬度高肉厚的成型。其耐干热、耐压缩性优异。
●工程塑胶
有适当的弹性,不伤地面、耐热性及耐寒性优异,具有耐冲击性强的物性。
●尼龙轮
弥补铸造车轮不足的种类、特殊的产品等很多类型被研制开发出来。耐热性、耐化学药品性、耐腐蚀性、耐磨性优异且轻量性。但不适合肉厚成型。

苏州上野机电设备有限公司销售型号如下:
K-507YS-100
K-507YNS-130
K-507YNS-150
K-507YNS-200
苏州上野机电设备有限公司销售型号如下:
K-507Y-100
K-507YN-130
K-507YN-150
K-507YN-200
苏州上野机电设备有限公司销售型号如下:
K-557Y-100
K-557YN-130
K-557YN-150
K-557YN-200
电话:0512-66051469 传真:0512-66051489 邮箱:2461896109@qq.com
网址: www.ueno-china.com 地址:苏州市吴中区南湖路71号天贸大厦509
版权归111苏州上野机电设备有限公司所有 苏ICP备16035515号-1 技术支持:易动力网络