电话:0512-66051469
传真:0512-66051489
邮箱:2461896109@qq.com
地址:苏州市吴中区南湖路71号天贸大厦509
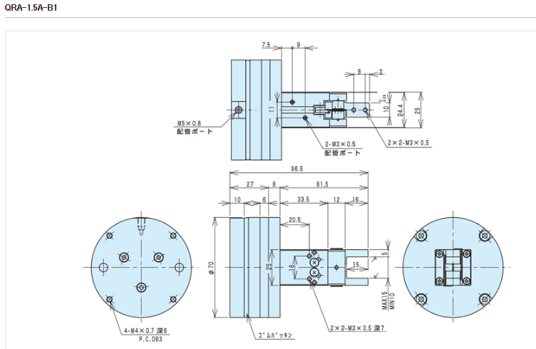
日本近藤制作所请型号:QRA-1.5A-B1 用于半导体行业
苏州上野机电设备有公司销售电话:178-9504-6997 刘经理 微信同号

【特長】
・自動調芯機能(組立作業などに、スムーズなハメアイ結合が可能です)。
・真芯を保持(エアーロック機能により、基準位置への高精度な復帰と真芯の保持を図ります)。
・ゴムパッキン付により防塵に効果。
| オプション型式 | QRA-1.5A-B1 | QRA-1.5A-B3 | QRA-1.5A-B4 | QRA-1.5A-B5 | |
|---|---|---|---|---|---|
| 対応ハンド型式 | BHA-01AS | BHA-03AS | BHA-04AS | BHA-05AS | |
| ハ ン ド 仕 様 | 駆動源 | エアー 0.3~0.7MPa | |||
| 潤滑 | 無給油またはタービン油(ISOVG32) | ||||
| 周囲温度(℃) | 5~60 | ||||
| 動作ストローク(mm) | 5 | 9 | 11 | 15 | |
| シリンダ径(mm) | φ12 | φ16 | φ20 | φ25 | |
| ロッド径(mm) | φ6 | φ8 | φ10 | φ12 | |
| 内部容積[往復](cm3/回) | 0.32 | 1.58 | 2.89 | 6.32 | |
| ハンド繰り返し精度(mm) | ±0.01 | ||||
| ハンド本体質量(kg) | 0.105 | 0.155 | 0.27 | 0.47 | |
| オプション質量(kg) | 0.48 | 0.53 | 0.65 | 0.85 | |
苏州上野机电设备有限公司销售型号如下:
QRA-1.5A UENO 近藤气缸
QRA-1.5A-B1 UENO 近藤气缸
QRA-1.5A-B3 UENO 近藤气缸
QRA-1.5A-B4 UENO 近藤气缸
QRA-1.5A-B5 UENO 近藤气缸
QRA-1.5A-C1 UENO 近藤气缸
QRA-1.5A-C2 UENO 近藤气缸
QRA-1.5A-C3 UENO 近藤气缸
QRA-1.5A-C4 UENO 近藤气缸
QRA-6A UENO 近藤气缸
QRA-40A UENO 近藤气缸
电话:0512-66051469 传真:0512-66051489 邮箱:2461896109@qq.com
网址: www.ueno-china.com 地址:苏州市吴中区南湖路71号天贸大厦509
版权归111苏州上野机电设备有限公司所有 苏ICP备16035515号-1 技术支持:易动力网络