电话:0512-66051469
传真:0512-66051489
邮箱:2461896109@qq.com
地址:苏州市吴中区南湖路71号天贸大厦509
日本株式会社GTR日精高精度减速器型号AF3SZ35-30M1000K33
苏州上野公司销售电话:178-9504-6997 刘经理 微信同号

基本情報 | 製品名 | |
|---|---|---|
生産情報/代替品情報 | 現行製品 | |
シリーズ | サーボモータ用高精度減速機 | |
標準価格 | - | |
標準納期[工場出荷日] | - | |
性能値 | 定格出力トルク [出力軸許容トルク] ※モータ定格回転速度3000r/minを基準 | 67 N・m(6.9 kgf・m) |
起動・停止時ピークトルク | 134 N・m(13.7 kgf・m) | |
瞬時最大許容トルク | - | |
出力軸許容 O.H.L | 2940N(300kgf) | |
内部慣性モーメント[入力軸換算] | 0.0004616kg・㎡ | |
出力軸許容スラスト荷重 | 821N(84kgf) | |
バックラッシ精度 | 3分 | |
定格入力回転速度 | 3000r/min | |
最高入力回転速度 | 3000r/min | |
連続定格入力トルク | 3.2N・m | |
減速機仕様 | 出力軸タイプ/取付 | 同心中空軸 |
枠番および出力軸径 | 35 mm | |
減速比 (実減速比) | 1/30 (1/30) | |
出力軸キー溝の有無 出力軸キー材の有無 | 出力軸キー溝有り 出力軸キー材無し | |
出力軸材質 | 炭素鋼 | |
定格入力モータ容量 ※3000r/min 基準 | 1000W | |
サーボモータ 取付フランジ種別 | K33 | |
モータマッチング・容量形状種別一覧表 | ||
防水・防塵対応 (保護構造相当) | IP44 | |
質量・梱包 | 概略質量 | 10.5 kg |
梱包形状 | 段ボール 397×317×260 |
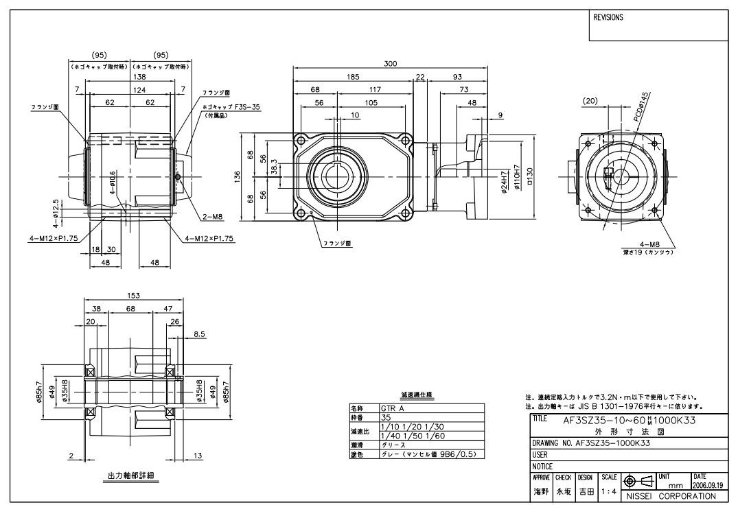
尺寸图片:


苏州上野机电设备有限公司销售型号如下:
AF3SZ45-30L2000K32
AF3SZ45-40L2000K32
AF3SZ45-50L2000K32
AF3SZ45-60L2000K32
AF3SZ45-5L2000K22
AF3SZ45-7.5L2000K22
AF3SZ45-10L2000K22
AF3SZ45-12L2000K22
AF3SZ45-15L2000K22
AF3SZ45-20L2000K22
AF3SZ45-25L2000K22
AF3SZ45-30L2000K22
AF3SZ45-40L2000K22
AF3SZ45-50L2000K22
AF3SZ45-60L2000K22
AF3SZ45-5L2000K32
AF3SZ45-7.5L2000K32
AF3SZ45-10L2000K32
AF3SZ45-12L2000K32
AF3SZ45-15L2000K32
AF3SZ45-20L2000K32
AF3SZ45-25L2000K32
AF3SZ15-10M100F3
AF3SZ15-10M100F1
AF3SZ15-10M100S1
AF3SZ15-10M100S3
AF3SZ15-15M100F3
AF3SZ15-15M100F1
AF3SZ15-15M100S1
AF3SZ15-15M100S3
AF3SZ15-20M100F3
AF3SZ15-20M100F1
AF3SZ15-20M100S1
AF3SZ15-20M100S3
AF3SZ15-25M100F3
AF3SZ15-25M100F1
AF3SZ15-25M100S1
AF3SZ15-25M100S3
AF3SZ15-30M100F3
AF3SZ15-30M100F1
AF3SZ15-30M100S1
AF3SZ15-30M100S3
AF3SZ15-40M100F3
AF3SZ15-40M100F1
AF3SZ15-40M100S1
AF3SZ15-40M100S3
AF3SZ15-50M100F3
AF3SZ15-50M100F1
AF3SZ15-50M100S1
AF3SZ15-50M100S3
AF3SZ15-60M100F3
AF3SZ15-60M100F1
AF3SZ15-60M100S1
AF3SZ15-60M100S3
AF3SZ15-75M100F3
AF3SZ15-75M100F1
AF3SZ15-75M100S1
AF3SZ15-75M100S3
AF3SZ15-90M100F3
AF3SZ15-90M100F1
AF3SZ15-90M100S1
AF3SZ15-90M100S3
AF3SZ15-120M100F3
AF3SZ15-120M100F1
AF3SZ15-120M100S1
AF3SZ15-120M100S3
AF3SZ25-10M200S5
AF3SZ25-10M200F3
AF3SZ25-10M200F1
AF3SZ25-10M200F2
AF3SZ25-10M200S1
AF3SZ25-10M200S2
AF3SZ25-10M200S3
AF3SZ25-15M200S5
AF3SZ25-15M200F3
AF3SZ25-15M200F1
AF3SZ25-15M200F2
AF3SZ25-15M200S1
AF3SZ25-15M200S2
AF3SZ25-15M200S3
AF3SZ25-20M200S5
AF3SZ25-20M200F3
AF3SZ25-20M200F1
AF3SZ25-20M200F2
AF3SZ25-20M200S1
AF3SZ25-20M200S2
AF3SZ25-20M200S3
AF3SZ25-25M200S5
AF3SZ25-25M200F3
AF3SZ25-25M200F1
AF3SZ25-25M200F2
AF3SZ25-25M200S1
AF3SZ25-25M200S2
AF3SZ25-25M200S3
AF3SZ25-30M200S5
AF3SZ25-30M200F3
AF3SZ25-30M200F1
AF3SZ25-30M200F2
AF3SZ25-30M200S1
AF3SZ25-30M200S2
AF3SZ25-30M200S3
AF3SZ25-40M200S5
AF3SZ25-40M200F3
AF3SZ25-40M200F1
AF3SZ25-40M200F2
AF3SZ25-40M200S1
AF3SZ25-40M200S2
AF3SZ25-40M200S3
AF3SZ25-50M200S5
AF3SZ25-50M200F3
AF3SZ25-50M200F1
AF3SZ25-50M200F2
AF3SZ25-50M200S1
AF3SZ25-50M200S2
AF3SZ25-50M200S3
AF3SZ25-60M200S5
AF3SZ25-60M200F3
AF3SZ25-60M200F1
AF3SZ25-60M200F2
AF3SZ25-60M200S1
AF3SZ25-60M200S2
AF3SZ25-60M200S3
AF3SZ30-75M200S5
AF3SZ30-75M200F3
AF3SZ30-75M200F1
AF3SZ30-75M200F2
AF3SZ30-75M200S1
AF3SZ30-75M200S2
AF3SZ30-75M200S3
AF3SZ30-90M200S5
AF3SZ30-90M200F3
AF3SZ30-90M200F1
AF3SZ30-90M200F2
AF3SZ30-90M200S1
AF3SZ30-90M200S2
AF3SZ30-90M200S3
AF3SZ30-120M200S5
AF3SZ30-120M200F3
AF3SZ30-120M200F1
AF3SZ30-120M200F2
AF3SZ30-120M200S1
AF3SZ30-120M200S2
AF3SZ30-120M200S3
AF3SZ30-150M200S5
AF3SZ30-150M200F3
AF3SZ30-150M200F1
AF3SZ30-150M200F2
AF3SZ30-150M200S1
AF3SZ30-150M200S2
AF3SZ30-150M200S3
AF3SZ30-180M200S5
AF3SZ30-180M200F3
AF3SZ30-180M200F1
AF3SZ30-180M200F2
AF3SZ30-180M200S1
AF3SZ30-180M200S2
AF3SZ30-180M200S3
AF3SZ30-10M400F3
AF3SZ30-10M400F1
AF3SZ30-10M400S1
AF3SZ30-10M400S3
AF3SZ30-15M400F3
AF3SZ30-15M400F1
AF3SZ30-15M400S1
AF3SZ30-15M400S3
AF3SZ30-20M400F3
AF3SZ30-20M400F1
AF3SZ30-20M400S1
AF3SZ30-20M400S3
AF3SZ30-25M400F3
AF3SZ30-25M400F1
AF3SZ30-25M400S1
AF3SZ30-25M400S3
AF3SZ30-30M400F3
AF3SZ30-30M400F1
AF3SZ30-30M400S1
AF3SZ30-30M400S3
AF3SZ30-40M400F3
AF3SZ30-40M400F1
AF3SZ30-40M400S1
电话:0512-66051469 传真:0512-66051489 邮箱:2461896109@qq.com
网址: www.ueno-china.com 地址:苏州市吴中区南湖路71号天贸大厦509
版权归111苏州上野机电设备有限公司所有 苏ICP备16035515号-1 技术支持:易动力网络