电话:0512-66051469
传真:0512-66051489
邮箱:2461896109@qq.com
地址:苏州市吴中区南湖路71号天贸大厦509



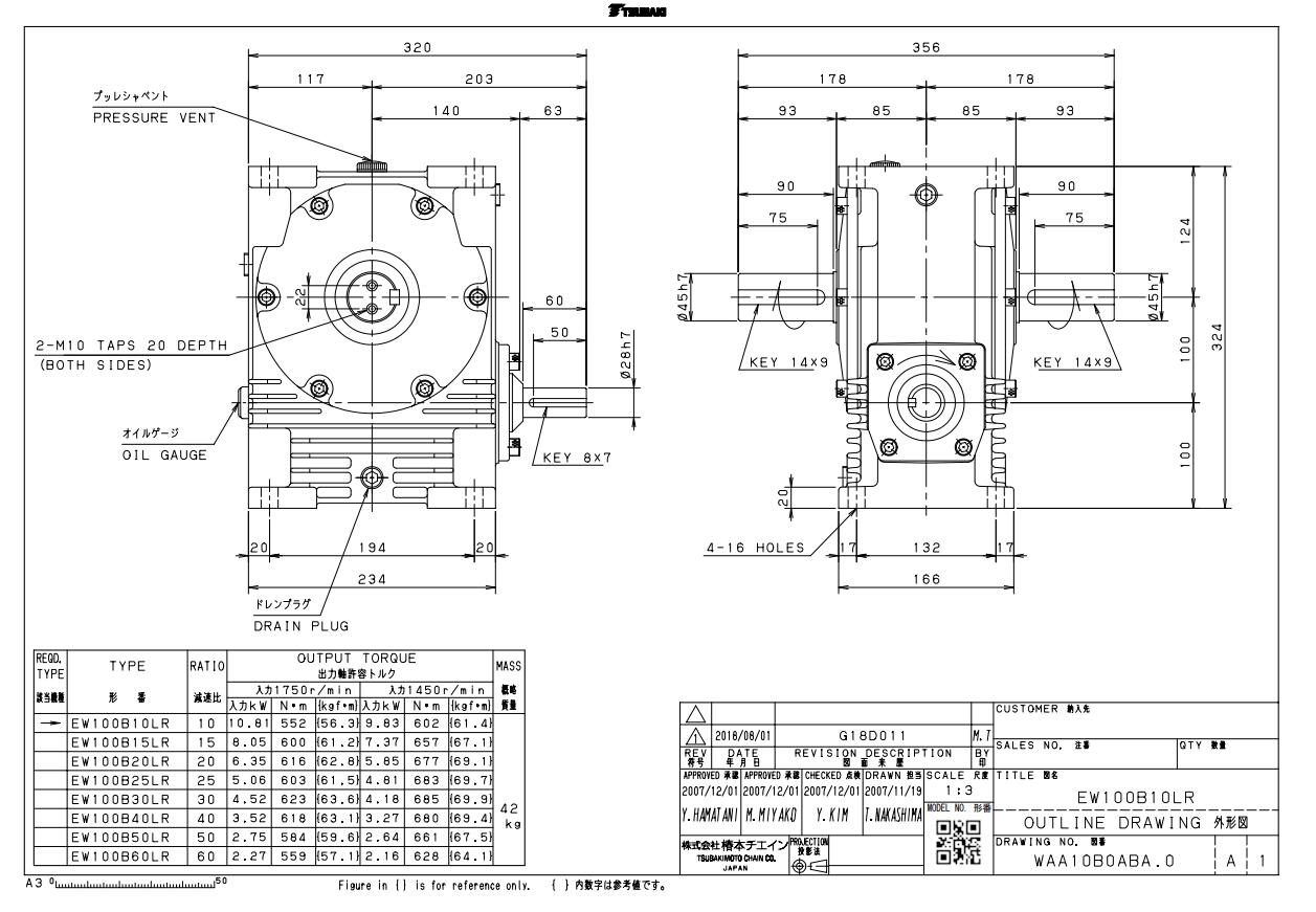
椿本减速机型号EW100B60LR适合联轴器缔结的
苏州上野公司主营日本机械,联 系人张涛 手 机188-9698-4864。
苏州上野公司张涛批发销售日本TSUBAKI椿本蜗轮蜗杆减速机型号EW100B60LR尺寸大小是100 减速比1/60.日本椿本自从1917年之创立经历了一段的长时间,在工业级滚子链条及动力传动系统成为世界上之领导供应厂商。目前拥有四大事业部,分别是链条事业部门,汽车部件事业部门,精机事业部门,物料搬运事业部门。
日本椿本减速电机分类如下:EW/EWM蜗轮减速机,备有EW•SW•TM三个系列。蜗轮蜗杆减速机EW系列产品特征:传动能力,效率&成本的高度平衡下以确保高精度和紧凑性。 以底脚安装作为基本形,另有实心输出轴·空心输出轴两种。实心轴型最适于联轴器·链轮·皮带的缔结. 丰富的选项以实现设备的紧凑化。 热电驱动EW系列(不带电动机)日语:ウォームパワードライブ EWシリーズ(モータ無)。
苏州上野机电设备有限公司是一家日本进口机械供应商。主要经营日本TSUBAKI椿本蜗轮蜗杆减速机 等,我们还与其他厂商建立了良好的代理协作关系,为顾客提供种类繁多价格可靠的众多产品,帮助广大客户降低了采购和物流成本。
2021新年起,我司面向在华日企,央企国企,A股上市公司等需要高品质机械的客户朋友们开展薄利多销,互惠互利的促销活动,欢迎朋友们来我司进一步参观交流合作!我们2021年主推的品牌是:日本椿本齿轮箱转向器以及减速电机,日本昭和风机,日本松下过滤风机,日本日精减速机,日本三菱减速机,日本日立减速机,日本内村脚轮,日本MEIKIKOU升降台,日本酒井联轴器,日本住友大阪联轴器SEISA等等!期待和客户朋友们真诚合作,共赢发展壮大!
苏州上野公司张涛批发销售的型号:
日本TSUBAKI椿本蜗轮蜗杆减速机型号EW100B60LR尺寸大小是100 减速比1/60
苏州上野公司张涛批发销售的型号:EW80B3600L-LR EW100B3600L-LR EW125B3600L-LR EW150B3600L-LR EW175B3600L-LR EW200B3600L-LR EW80B100L-H EW100B100L-H EW125B100L-H EW150B100L-H EW175B100L-H EW200B100L-H EW80B150L-H EW100B150L-H EW125B150L-H EW150B150L-H EW175B150L-H EW200B150L-H EW80B200L-H EW100B200L-H EW125B200L-H EW150B200L-H EW175B200L-H EW200B200L-H EW80B250L-H EW100B250L-H EW125B250L-H EW150B250L-H EW175B250L-H EW200B250L-H EW80B300L-H EW100B300L-H EW125B300L-H EW150B300L-H EW175B300L-H EW200B300L-H EW80B400L-H EW100B400L-H EW125B400L-H EW150B400L-H EW175B400L-H EW200B400L-H EW80B500L-H EW100B500L-H EW125B500L-H EW150B500L-H EW175B500L-H EW200B500L-H EW80B600L-H EW100B600L-H EW125B600L-H EW150B600L-H EW175B600L-H EW200B600L-H EW80B800L-H EW100B800L-H EW125B800L-H EW150B800L-H EW175B800L-H EW200B800L-H EW80B1000L-H EW100B1000L-H EW125B1000L-H EW150B1000L-H EW175B1000L-H EW200B1000L-H EW80B1200L-H EW100B1200L-H EW125B1200L-H EW150B1200L-H EW175B1200L-H EW200B1200L-H EW80B1500L-H EW100B1500L-H EW125B1500L-H EW150B1500L-H EW175B1500L-H EW200B1500L-H EW80B1800L-H EW100B1800L-H EW125B1800L-H EW150B1800L-H EW175B1800L-H EW200B1800L-H EW80B2400L-H EW100B2400L-H EW125B2400L-H EW150B2400L-H EW175B2400L-H EW200B2400L-H EW80B3000L-H EW100B3000L-H EW125B3000L-H EW150B3000L-H EW175B3000L-H EW200B3000L-H EW80B3600L-H EW100B3600L-H EW125B3600L-H EW150B3600L-H EW175B3600L-H EW200B3600L-H EW80B100R-L EW100B100R-L EW125B100R-L EW150B100R-L EW175B100R-L EW200B100R-L EW80B150R-L
苏州上野公司张涛批发销售的型号:EW100B150R-L EW125B150R-L EW150B150R-L EW175B150R-L EW200B150R-L EW80B200R-L EW100B200R-L EW125B200R-L EW150B200R-L EW175B200R-L EW200B200R-L EW80B250R-L EW100B250R-L EW125B250R-L EW150B250R-L EW175B250R-L EW200B250R-L EW80B300R-L EW100B300R-L EW125B300R-L EW150B300R-L EW175B300R-L EW200B300R-L EW80B400R-L EW100B400R-L EW125B400R-L EW150B400R-L EW175B400R-L EW200B400R-L EW80B500R-L EW100B500R-L EW125B500R-L EW150B500R-L EW175B500R-L EW200B500R-L EW80B600R-L EW100B600R-L EW125B600R-L EW150B600R-L EW175B600R-L EW200B600R-L EW80B800R-L EW100B800R-L EW125B800R-L EW150B800R-L EW175B800R-L EW200B800R-L EW80B1000R-L EW100B1000R-L EW125B1000R-L EW150B1000R-L EW175B1000R-L EW200B1000R-L EW80B1200R-L EW100B1200R-L EW125B1200R-L EW150B1200R-L EW175B1200R-L EW200B1200R-L EW80B1500R-L EW100B1500R-L EW125B1500R-L EW150B1500R-L EW175B1500R-L EW200B1500R-L EW80B1800R-L EW100B1800R-L EW125B1800R-L EW150B1800R-L EW175B1800R-L EW200B1800R-L EW80B2400R-L EW100B2400R-L EW125B2400R-L EW150B2400R-L EW175B2400R-L EW200B2400R-L EW80B3000R-L EW100B3000R-L EW125B3000R-L EW150B3000R-L EW175B3000R-L EW200B3000R-L EW80B3600R-L EW100B3600R-L EW125B3600R-L EW150B3600R-L EW175B3600R-L EW200B3600R-L EW80B100R-LR EW100B100R-LR EW125B100R-LR EW150B100R-LR EW175B100R-LR EW200B100R-LR EW80B150R-LR EW100B150R-LR EW125B150R-LR EW150B150R-LR EW175B150R-LR EW200B150R-LR EW80B200R-LR EW100B200R-LR EW125B200R-LR EW150B200R-LR EW175B200R-LR EW200B200R-LR EW80B250R-LR EW100B250R-LR EW125B250R-LR EW150B250R-LR EW175B250R-LR EW200B250R-LR EW80B300R-LR EW100B300R-LR EW125B300R-LR EW150B300R-LR EW175B300R-LR EW200B300R-LR EW80B400R-LR EW100B400R-LR EW125B400R-LR EW150B400R-LR EW175B400R-LR EW200B400R-LR EW80B500R-LR EW100B500R-LR EW125B500R-LR EW150B500R-LR EW175B500R-LR EW200B500R-LR EW80B600R-LR EW100B600R-LR EW125B600R-LR EW150B600R-LR EW175B600R-LR EW200B600R-LR EW80B800R-LR EW100B800R-LR EW125B800R-LR EW150B800R-LR EW175B800R-LR EW200B800R-LR EW80B1000R-LR EW100B1000R-LR EW125B1000R-LR EW150B1000R-LR EW175B1000R-LR EW200B1000R-LR
苏州上野公司张涛批发销售的型号:EW80B1200R-LR EW100B1200R-LR EW125B1200R-LR EW150B1200R-LR EW175B1200R-LR EW200B1200R-LR EW80B1500R-LR EW100B1500R-LR EW125B1500R-LR EW150B1500R-LR EW175B1500R-LR EW200B1500R-LR EW80B1800R-LR EW100B1800R-LR EW125B1800R-LR EW150B1800R-LR EW175B1800R-LR EW200B1800R-LR EW80B2400R-LR EW100B2400R-LR EW125B2400R-LR EW150B2400R-LR EW175B2400R-LR EW200B2400R-LR EW80B3000R-LR EW100B3000R-LR EW125B3000R-LR EW150B3000R-LR EW175B3000R-LR EW200B3000R-LR EW80B3600R-LR EW100B3600R-LR EW125B3600R-LR EW150B3600R-LR EW175B3600R-LR EW200B3600R-LR EW80B100R-H EW100B100R-H EW125B100R-H EW150B100R-H EW175B100R-H EW200B100R-H EW80B150R-H EW100B150R-H EW125B150R-H EW150B150R-H EW175B150R-H EW200B150R-H EW80B200R-H EW100B200R-H EW125B200R-H EW150B200R-H EW175B200R-H EW200B200R-H EW80B250R-H EW100B250R-H EW125B250R-H EW150B250R-H EW175B250R-H EW200B250R-H EW80B300R-H EW100B300R-H EW125B300R-H EW150B300R-H EW175B300R-H EW200B300R-H EW80B400R-H EW100B400R-H EW125B400R-H EW150B400R-H EW175B400R-H EW200B400R-H EW80B500R-H EW100B500R-H EW125B500R-H EW150B500R-H EW175B500R-H EW200B500R-H EW80B600R-H EW100B600R-H EW125B600R-H EW150B600R-H EW175B600R-H EW200B600R-H EW80B800R-H EW100B800R-H EW125B800R-H EW150B800R-H EW175B800R-H EW200B800R-H EW80B1000R-H EW100B1000R-H EW125B1000R-H EW150B1000R-H EW175B1000R-H EW200B1000R-H EW80B1200R-H EW100B1200R-H EW125B1200R-H EW150B1200R-H EW175B1200R-H EW200B1200R-H EW80B1500R-H EW100B1500R-H EW125B1500R-H EW150B1500R-H EW175B1500R-H EW200B1500R-H EW80B1800R-H EW100B1800R-H EW125B1800R-H EW150B1800R-H EW175B1800R-H EW200B1800R-H EW80B2400R-H EW100B2400R-H EW125B2400R-H EW150B2400R-H EW175B2400R-H EW200B2400R-H EW80B3000R-H EW100B3000R-H EW125B3000R-H EW150B3000R-H EW175B3000R-H
苏州上野公司张涛批发销售的型号:EW200B3000R-H EW80B3600R-H EW100B3600R-H EW125B3600R-H EW150B3600R-H EW175B3600R-H EW200B3600R-H EW80V100L-RU EW100V100L-RU EW125V100L-RU EW150V100L-RU EW175V100L-RU EW200V100L-RU EW80V150L-RU EW100V150L-RU EW125V150L-RU EW150V150L-RU EW175V150L-RU EW200V150L-RU EW80V200L-RU EW100V200L-RU EW125V200L-RU EW150V200L-RU EW175V200L-RU EW200V200L-RU EW80V250L-RU EW100V250L-RU EW125V250L-RU EW150V250L-RU EW175V250L-RU EW200V250L-RU EW80V300L-RU EW100V300L-RU EW125V300L-RU EW150V300L-RU EW175V300L-RU EW200V300L-RU EW80V400L-RU EW100V400L-RU EW125V400L-RU EW150V400L-RU EW175V400L-RU EW200V400L-RU EW80V500L-RU EW100V500L-RU EW125V500L-RU EW150V500L-RU EW175V500L-RU EW200V500L-RU EW80V600L-RU EW100V600L-RU EW125V600L-RU EW150V600L-RU EW175V600L-RU EW200V600L-RU EW80V800L-RU EW100V800L-RU EW125V800L-RU EW150V800L-RU EW175V800L-RU EW200V800L-RU EW80V1000L-RU EW100V1000L-RU EW125V1000L-RU EW150V1000L-RU EW175V1000L-RU EW200V1000L-RU EW80V1200L-RU EW100V1200L-RU EW125V1200L-RU EW150V1200L-RU EW175V1200L-RU EW200V1200L-RU EW80V1500L-RU EW100V1500L-RU EW125V1500L-RU EW150V1500L-RU EW175V1500L-RU EW200V1500L-RU EW80V1800L-RU EW100V1800L-RU EW125V1800L-RU EW150V1800L-RU EW175V1800L-RU EW200V1800L-RU EW80V2400L-RU EW100V2400L-RU EW125V2400L-RU EW150V2400L-RU EW175V2400L-RU EW200V2400L-RU EW80V3000L-RU EW100V3000L-RU EW125V3000L-RU EW150V3000L-RU EW175V3000L-RU EW200V3000L-RU EW80V3600L-RU EW100V3600L-RU EW125V3600L-RU EW150V3600L-RU EW175V3600L-RU EW200V3600L-RU EW80V100L-RD EW100V100L-RD EW125V100L-RD EW150V100L-RD EW175V100L-RD
苏州上野公司张涛批发销售的型号:
日本椿本减速电机型号:CSMR370-401L30RWV-功率3.7KW-4P-减速比1/30-电压400V/50HZ-安装方式脚底安装型-直交轴型蜗轮电机-户外型W
日本椿本减速电机型号:GMTA040-38L100WVN3-功率0.4KW-4P-减速比1/100-电压380V/50HZ-安装方式脚底安装型-户外型W.
日本椿本减速电机型号:HMTR370-55H50V-功率3.7KW-4P-减速比1/50-电压400V/50HZ-安装方式空心轴型-直交轴型-准双曲面齿轮减速机
苏州上野公司张涛批发销售的型号:
EWM63T100R-L040S EWM80V150R-LU075S EWM80B250L-R040S EWM100T40L220SB EW100V150R-LU、EWM125T40L370SB ED2M1-L-Y ED2M-1-LR-Y ED2M-U-LR-Y ED6M1-1LR ED6MD-L-Y-K2 ED6B30 1-1-R-Y ED6B30 1-1-R-T ED6B30 1-1-R-K1 ED6B30 1-1-R-K2 ED6B30 1-1-R-K3 ED6B30 1-1-R-K4 ED25M1-LR-Y ED20M 1-U-Y SW35E-B10-LF SW35E-B10-LF SW35E-B10-LF SW35E60RF、SW70E30RF SW70E60RF SW80E60RF SW125V-LF-30 SW125V-LF-10 SWM100B60RF220SB EWM63T100R-L040S
苏州上野公司张涛批发销售的型号:EW150V600R-LU EW175V600R-LU EW200V600R-LU EW80V800R-LU
电话:0512-66051469 传真:0512-66051489 邮箱:2461896109@qq.com
网址: www.ueno-china.com 地址:苏州市吴中区南湖路71号天贸大厦509
版权归111苏州上野机电设备有限公司所有 苏ICP备16035515号-1 技术支持:易动力网络