电话:0512-66051469
传真:0512-66051489
邮箱:2461896109@qq.com
地址:苏州市吴中区南湖路71号天贸大厦509
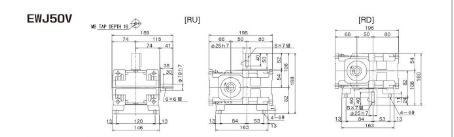
尺寸图片

苏州上野机电设备有限公司销售电话:17895046997 刘经理
| 减 速 部 | 润滑方式 | 油浴方式·注油出货 |
|---|---|---|
| DAPHNE ALPHA OILTE260 | ||
| 键规格 | 新JIS普通 JIS B1301-1976(中实轴部用键一同出货) | |
| 涂装规格 | 蒙塞尔2.5G6/3(绿色) | |
| 静电粉末喷涂:环氧聚酯类 | ||
| 防锈规格 | 防锈期 室内保管6个月(工厂出厂后) | |
| 外部防锈处理:涂抹防锈脂 内部防锈处理:填充润滑油后密封 | ||
| 周 围 条 件 | 设置场所 | 室内 |
| 环境温度 | -10℃~50℃ | |
| 环境湿度 | 95%以下(无结露) | |
| 高 度 | 海拔1000m以下 | |
| 环 境 | 无腐蚀性及爆炸性气体·蒸气及无结露,尘埃少 | |
| 安装方式 | 自由安装 | |
苏州上野机电设备有限公司销售型号:
1/10 实心 EWJ50E10L
EWJ50E10R
EWJ50E10LR --- EWJ50V10LU
EWJ50V10LD
EWJ50V10LUD
EWJ50V10RU
EWJ50V10RD
EWJ50V10RUD ---
中空 --- SWJ50E10DF --- ---
1/15 实心 EWJ50E15L
EWJ50E15R
EWJ50E15LR --- EWJ50V15LU
EWJ50V15LD
EWJ50V15LUD
EWJ50V15RU
EWJ50V15RD
EWJ50V15RUD ---
中空 --- SWJ50E15DF --- ---
1/20 实心 EWJ50E20L
EWJ50E20R
EWJ50E20LR --- EWJ50V20LU
EWJ50V20LD
EWJ50V20LUD
EWJ50V20RU
EWJ50V20RD
EWJ50V20RUD ---
中空 --- SWJ50E20DF --- ---
1/25 实心 EWJ50E25L
EWJ50E25R
EWJ50E25LR --- EWJ50V25LU
EWJ50V25LD
EWJ50V25LUD
EWJ50V25RU
EWJ50V25RD
EWJ50V25RUD ---
中空 --- SWJ50E25DF --- ---
1/30 实心 EWJ50E30L
EWJ50E30R
EWJ50E30LR --- EWJ50V30LU
EWJ50V30LD
EWJ50V30LUD
EWJ50V30RU
EWJ50V30RD
EWJ50V30RUD ---
中空 --- SWJ50E30DF --- ---
1/40 实心 EWJ50E40L
EWJ50E40R
EWJ50E40LR --- EWJ50V40LU
EWJ50V40LD
EWJ50V40LUD
EWJ50V40RU
EWJ50V40RD
EWJ50V40RUD ---
中空 --- SWJ50E40DF --- ---
1/50 实心 EWJ50E50L
EWJ50E50R
EWJ50E50LR --- EWJ50V50LU
EWJ50V50LD
EWJ50V50LUD
EWJ50V50RU
EWJ50V50RD
EWJ50V50RUD ---
中空 --- SWJ50E50DF --- ---
1/60 实心 EWJ50E60L
EWJ50E60R
EWJ50E60LR --- EWJ50V60LU
EWJ50V60LD
EWJ50V60LUD
EWJ50V60RU
EWJ50V60RD
EWJ50V60RUD ---
中空 --- SWJ50E60DF --- ---
1/100 实心 EWJ50T100L-R
EWJ50T100R-L
EWJ50T100L-LR
EWJ50T100R-LR --- EWJ50V100L-RU
EWJ50V100L-RD
EWJ50V100L-RUD
EWJ50V100R-LU
EWJ50V100R-LD
EWJ50V100R-LUD ---
1/150 实心 EWJ50T150L-R
EWJ50T150R-L
EWJ50T150L-LR
EWJ50T150R-LR --- EWJ50V150L-RU
EWJ50V150L-RD
EWJ50V150L-RUD
EWJ50V150R-LU
EWJ50V150R-LD
EWJ50V150R-LUD ---
1/200 实心 EWJ50T200L-R
EWJ50T200R-L
EWJ50T200L-LR
EWJ50T200R-LR --- EWJ50V200L-RU
EWJ50V200L-RD
EWJ50V200L-RUD
EWJ50V200R-LU
EWJ50V200R-LD
EWJ50V200R-LUD ---
1/250 实心 EWJ50T250L-R
EWJ50T250R-L
EWJ50T250L-LR
EWJ50T250R-LR --- EWJ50V250L-RU
EWJ50V250L-RD
EWJ50V250L-RUD
EWJ50V250R-LU
EWJ50V250R-LD
EWJ50V250R-LUD ---
1/300 实心 EWJ50T300L-R
EWJ50T300R-L
EWJ50T300L-LR
EWJ50T300R-LR --- EWJ50V300L-RU
EWJ50V300L-RD
EWJ50V300L-RUD
EWJ50V300R-LU
EWJ50V300R-LD
EWJ50V300R-LUD ---
1/400 实心 EWJ50T400L-R
EWJ50T400R-L
EWJ50T400L-LR
EWJ50T400R-LR --- EWJ50V400L-RU
EWJ50V400L-RD
EWJ50V400L-RUD
EWJ50V400R-LU
EWJ50V400R-LD
EWJ50V400R-LUD ---
1/500 实心 EWJ50T500L-R
EWJ50T500R-L
EWJ50T500L-LR
EWJ50T500R-LR --- EWJ50V500L-RU
EWJ50V500L-RD
EWJ50V500L-RUD
EWJ50V500R-LU
EWJ50V500R-LD
EWJ50V500R-LUD ---
1/600 实心 EWJ50T600L-R
EWJ50T600R-L
EWJ50T600L-LR
EWJ50T600R-LR --- EWJ50V600L-RU
EWJ50V600L-RD
EWJ50V600L-RUD
EWJ50V600R-LU
EWJ50V600R-LD
EWJ50V600R-LUD ---
1/800 实心 EWJ50T800L-R
EWJ50T800R-L
EWJ50T800L-LR
EWJ50T800R-LR --- EWJ50V800L-RU
EWJ50V800L-RD
EWJ50V800L-RUD
EWJ50V800R-LU
EWJ50V800R-LD
EWJ50V800R-LUD ---
1/1000 实心 EWJ50T1000L-R
EWJ50T1000R-L
EWJ50T1000L-LR
EWJ50T1000R-LR --- EWJ50V1000L-RU
EWJ50V1000L-RD
EWJ50V1000L-RUD
EWJ50V1000R-LU
EWJ50V1000R-LD
EWJ50V1000R-LUD ---
1/1200 实心 EWJ50T1200L-R
EWJ50T1200R-L
EWJ50T1200L-LR
EWJ50T1200R-LR --- EWJ50V1200L-RU
EWJ50V1200L-RD
EWJ50V1200L-RUD
EWJ50V1200R-LU
EWJ50V1200R-LD
EWJ50V1200R-LUD ---
1/1500 实心 EWJ50T1500L-R
EWJ50T1500R-L
EWJ50T1500L-LR
EWJ50T1500R-LR --- EWJ50V1500L-RU
EWJ50V1500L-RD
EWJ50V1500L-RUD
EWJ50V1500R-LU
EWJ50V1500R-LD
EWJ50V1500R-LUD ---
1/1800 实心 EWJ50T1800L-R
EWJ50T1800R-L
EWJ50T1800L-LR
EWJ50T1800R-LR --- EWJ50V1800L-RU
EWJ50V1800L-RD
EWJ50V1800L-RUD
EWJ50V1800R-LU
EWJ50V1800R-LD
EWJ50V1800R-LUD ---
1/2400 实心 EWJ50T2400L-R
EWJ50T2400R-L
EWJ50T2400L-LR
EWJ50T2400R-LR --- EWJ50V2400L-RU
EWJ50V2400L-RD
EWJ50V2400L-RUD
EWJ50V2400R-LU
EWJ50V2400R-LD
EWJ50V2400R-LUD ---
1/3000 实心 EWJ50T3000L-R
EWJ50T3000R-L
EWJ50T3000L-LR
EWJ50T3000R-LR --- EWJ50V3000L-RU
EWJ50V3000L-RD
EWJ50V3000L-RUD
EWJ50V3000R-LU
EWJ50V3000R-LD
EWJ50V3000R-LUD ---
1/3600 实心 EWJ50T3600L-R
EWJ50T3600R-L
EWJ50T3600L-LR
EWJ50T3600R-LR --- EWJ50V3600L-RU
EWJ50V3600L-RD
EWJ50V3600L-RUD
EWJ50V3600R-LU
EWJ50V3600R-LD
EWJ50V3600R-LUD
电话:0512-66051469 传真:0512-66051489 邮箱:2461896109@qq.com
网址: www.ueno-china.com 地址:苏州市吴中区南湖路71号天贸大厦509
版权归111苏州上野机电设备有限公司所有 苏ICP备16035515号-1 技术支持:易动力网络